EasyManua.ls Logo

Akai MPC3000 - Page 20

Akai MPC3000
58 pages
Print Icon
To Next Page IconTo Next Page
To Next Page IconTo Next Page
To Previous Page IconTo Previous Page
To Previous Page IconTo Previous Page
Loading...
А
:
в
Ш
с
D
_
На
:
Е Е
6
шан
!
|
J
K
eS
«-
«2
W
Yau
O
u
w
нае
P13
(SIMM)
——
------ү
р------
Іс?
не
5
565
(3
STATE
BUFFER)
|
1029
(PLD)
(ІМЕР6:
EXT
MEMORY
CONT)
Ot
(
P*(272)
|
д
сот)
[to
|
jack
РСВ
|
ям
|
(2/2)
=
--
ГЕО
*EXM3008
(ем
MEMORY)
15
CONNECTABLE
INSTEAD
ОК
THE
WAVE
MEMORY
PCB.
|
1С1-164
1м51440002-0х4
рмикр
(5051)
омак1
(#00)
стак2
(1231)
ОМАК
5
(05Р)
Ict?
1с28
L7A1045
1.5048
О5Р-А
нсоо
FOO
UNIT
CLK
OUT
(16МН:)
165
(PLD)
(L6026C
1
MEMORY
CONT)
2301
ERS
ТС
104
LC35178S
103
LC7%81
{CHARACTER
ВАМ
ILCO
CONTROL.
LER)
өт
CPU)
1030
%б852556
0518
(170
EXPANDER)
LCD
BLOCK
N
|
L
]
|
4153
Км]
«_________=->
|
`”
|
PERATION
(А)
3
РСВ
5
|
H
Л
6
ci
28
ЯСЕ
885
„|
AD/DA
РСВ
RESOUT
2055
9999
gii
167
|
M81953
RESET
Ё
ВЕБЕ
P
“о
584Ғ5
30425
-
1111
MEIST
|
ue
Е
2
PLD)
А
i
2
Н
DOSYMC
(5051)
3
чі
ICLKO
|
ICLKD
'
36+FSD
(5051)
Е
|
но:
76865
(05Р,
1231)
р
5
КЕ
к
R
өз
"Бе:
>
[
^n
DIGITAL]
ñ
EN
B
mam
яр
DESIRES
m
HM
EE
р
5ОАТА|
їм
земну
i
Town
(ene,
завет
s:
1620
TE7774
‘CODER
1
{1/0
TRANSCEIVER)
1e
рс
ЇМТЕОС
+00}
9%
|
|
о
<
x
|
INTSPC
(5251)
Л
нсо2
нсо2
1027
HC365
(5
STATE
SUFFER)
1024
НС173
<a
(LATCH)
ЗЭХ:
омно2
133733
Hoses
L.
ll
SERI
AL
PARALLEL)
Town
сік
CONVERTER
тесе.
at
A2
а
1C307,
908
НС595
10905
ҮМз5230
(SERIALS
PARALLEL)
DIGITAL
A010)
saer
12906
(PLD)
SD
мр1
:
А
CONT)
INTERFACE
1225
МВ9925<
нсоє
1225
PLO
5103
бмарз$үмс
DET)
НЕБКЕКЕ
25
1526
(OPTION)
1-0055
(эе
дімессов)
H
READER
Д
10905
МВ892558
(ье)
run
ex
DS.
500-807
M
I.
M23
>
12503
(272)
мб
Pomar
5
d
16501
(272)
ME238
CPU
PCB
__
22
-------------------
s
--
WSO}
(172)
[
16501
(172)
12503
(1⁄2)
A
Ko
д»
{hE
=
ы
155021222)
ss
|
1
ын
|
12502
(172)
я
5258
|
SCSI
JACK
РСВ
|
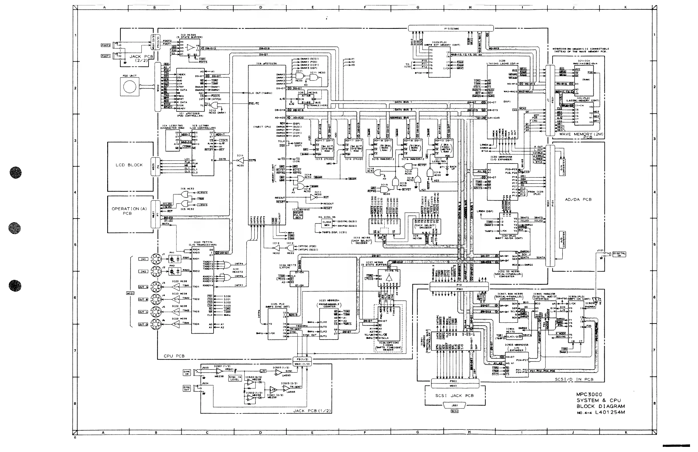
MPC
5000
SYSTEM
&
CPU
BLOCK
DIAGRAM
№.4-4
L401254M
JACK
РСВ
(1/2)
PA
eee
H
к

Related product manuals