EasyManua.ls Logo

Akai MPC3000 - Page 22

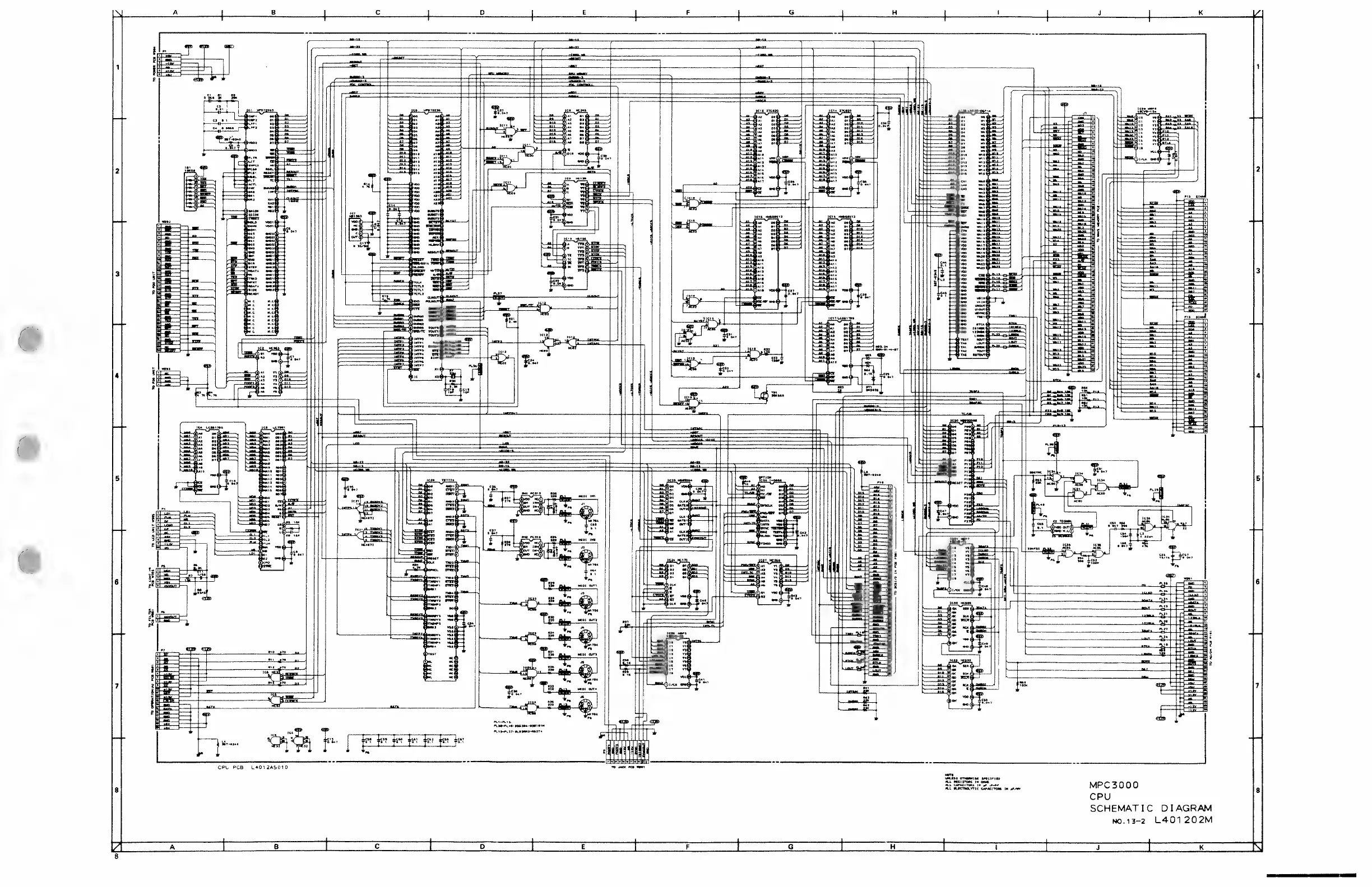
Akai MPC3000
58 pages
Print Icon
To Next Page IconTo Next Page
To Next Page IconTo Next Page
To Previous Page IconTo Previous Page
To Previous Page IconTo Previous Page
Loading...
CREE
IL
НЯ
ЗӘКИ
се
ылы
эз
жы
ua
IEEE
ЫРА
ИВ
РВ
ВЕП
жы
ө
ы
тле
РБК
зш
ИНЕТ.
е
SS
Е
2
22
89
-
Eu
E
і
i
$
5
Š
ИГР
T
|
po
ШОНГ
|
цэ
-
pom
ша
"
Y
premi
ЕРНІНІҢ
ІН
3
|
ШШ,
|
ЧИНЫ
Tae
М
|
|
m
=
x
|
ШШЕ
ыт
|
|
UMS
1
«ЕКЕ
ИЕ
ЕШ
чам
ис
алш

Related product manuals