EasyManua.ls Logo

Akai MPK 25 - Page 13

Akai MPK 25
35 pages
Print Icon
To Next Page IconTo Next Page
To Next Page IconTo Next Page
To Previous Page IconTo Previous Page
To Previous Page IconTo Previous Page
Loading...
C
OFSHEET:
SIZE:
REV:
DATED:
DATED:DRAWN:
RELEASED:
SCALE:
FILENAME:
PART NUMBER:
TITLE:
COMPANY:
A
B
D
C
A
B
C
D
6 5 4 3 2 1
DATE:LTR ECO NO: APPROVED:
REVISION RECORD
ASSY NUMBER:
NC
EXPRESSION
NC
NC
AFTER-
TOUCH
*
** decoupling cap should be place close to MUX
* decoupling cap should be placed close to connector
33
M. Sti t h 1/6/2009
AD25MNC01A.sch
9-79-0504-C-0
9-40-0504-C
AD25 MAIN PCB
Copyright (c) 2009 Akai Professional
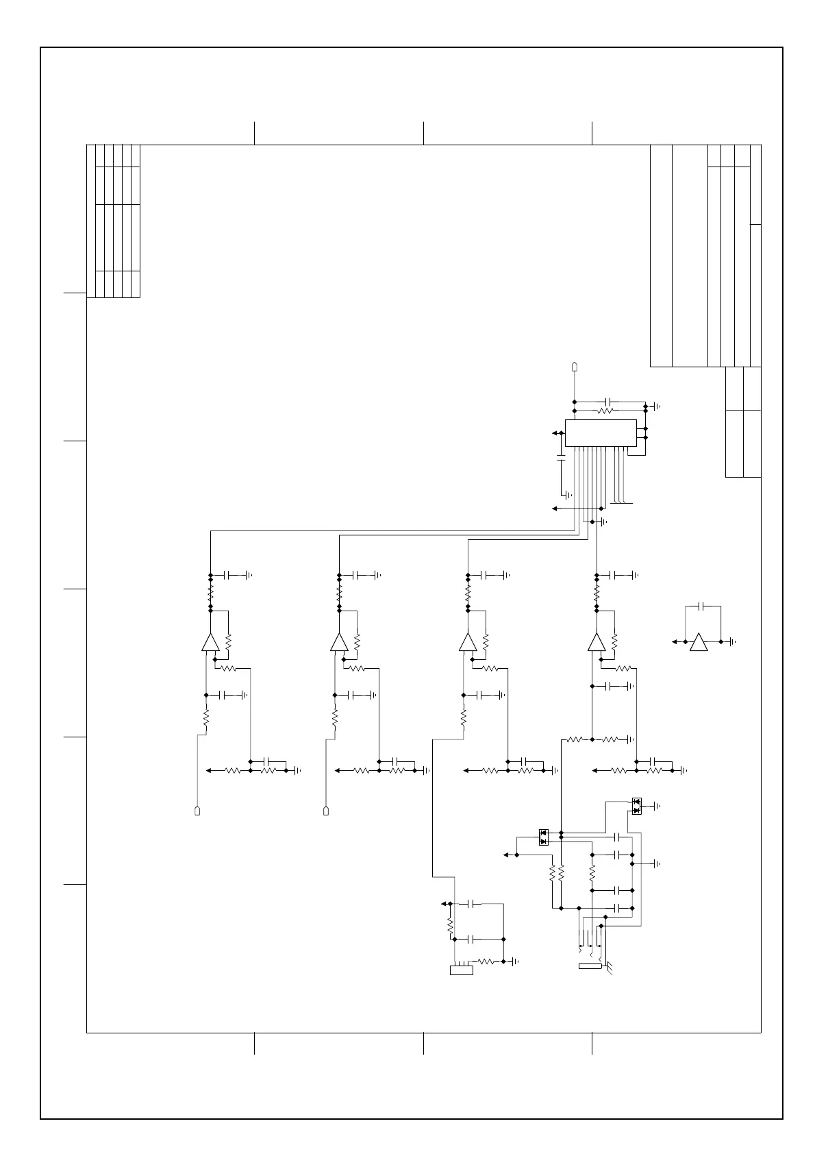
ANALOG
MAXIMUM CARE SHOULD BE TAKEN IN ROUTING ALL SIGNALS ON THIS SHEET
*
**
**
* *
AKAI
1
IO4
2
IO6
3
OUT/IN
4
IO7
5
IO5
6
INH
7
VEE
8
VSS
9
C
10
B
11
A
12
IO3
13
IO0
14
IO1
15
IO2
16
VDD
U5
74HC4051
R501M
R 2 3 100k
R24 1K
R19 1K
C16
0.1uF
C17
0.1uF
C15
0.1uF
C18
0.1uF
R46
806 ohm 1%
1
2
3
4
J8
C25 0.1uF
C44
DNS 0.1uF
C43
0.1uF
C48 1000pF
R66 DNS 0 ohm
R56
33.2k 1%
R59 47.5k 1%
12
+
13
-
14
U8-D
LMV324M
R64
82.5k 1%
R61
15.8k 1%
+v
-v
4
11
U8-E
LMV324M
C72
0.1uF
C60
0.1uF
R91
2.32k 1%
R90
4.75k 1%
C61
0.1uF
R55 DNS 0 ohm
R57
11.8k 1%
R60 47.5k 1%
10
+
9
-
8
U8-C
LMV324M
C28
DNS 0.01uF
R54 15.8k 1%
C56
0.1uF
R86
1.33k 1%
R87
4.75k 1%
C62
0.01uF
R71 DNS 0 ohm
R78
11.0k 1%
R75 47.5k 1%
5
+
6
-
7
U8-B
LMV324M
R72 15.8k 1%
C73
0.1uF
R89
3.32k 1%
R88
3.32k 1%
C68
0.1uF
R73 DNS 0 ohm
R77
11.0k 1%
R74 47.5k 1%
3
+
2
-
1
U8-A
LMV324M
R80 15.8k 1%
C70
0.1uF
R92
3.32k 1%
R93
3.32k 1%
C71
0.1uF
C50
DNS 0.01uF
C27
DNS 0.01uF
C26
DNS 0.01uF
R47
0 ohm
1 2
3
D6
BAV99
12
3
D5
BAV99
SLEEVE
RING
TIP
1
2
3
4
5
6
7
J1
STEREO CLIFF CL111505W
ANALOG_SELECT1
ANALOG_SELECT0
ANALOG_SELECT2
+3V3
ANALOG_SELECT[0:2]
ANALOG_TOP
ANALOG_TOP
ANALOG_TOP
ANALOG2
PITCH
+3V3
ANALOG_TOP
ANALOG_TOP
ANALOG_TOP
ANALOG_TOP
MOD