EasyManua.ls Logo

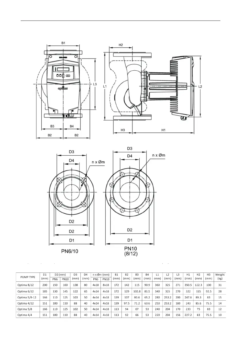
Alarko OPTIMA - TECHNICAL DIMENSIONS AND SPECIFICATIONS; Dimension Table

Alarko OPTIMA
48 pages
Print Icon
To Next Page IconTo Next Page
To Next Page IconTo Next Page
To Previous Page IconTo Previous Page
To Previous Page IconTo Previous Page
Loading...
37
14. APPENDIX
