EasyManua.ls Logo

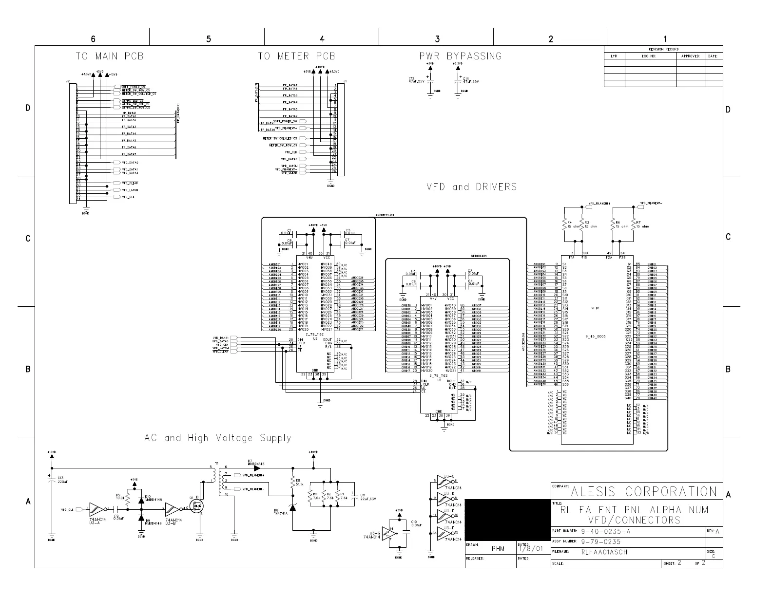
Alesis HD24 - VFD and Driver Circuitry; VFD AC and High Voltage Supply

Alesis HD24
91 pages
Print Icon
To Next Page IconTo Next Page
To Next Page IconTo Next Page
To Previous Page IconTo Previous Page
To Previous Page IconTo Previous Page
Loading...
RLFAA01A.sch-2 - Tue Nov 20 16:38:30 2001

Related product manuals