EasyManua.ls Logo

Alpha Boilers SY24 - Functional Flow Wiring Diagram

Default Icon
36 pages
Print Icon
To Next Page IconTo Next Page
To Next Page IconTo Next Page
To Previous Page IconTo Previous Page
To Previous Page IconTo Previous Page
Loading...
26
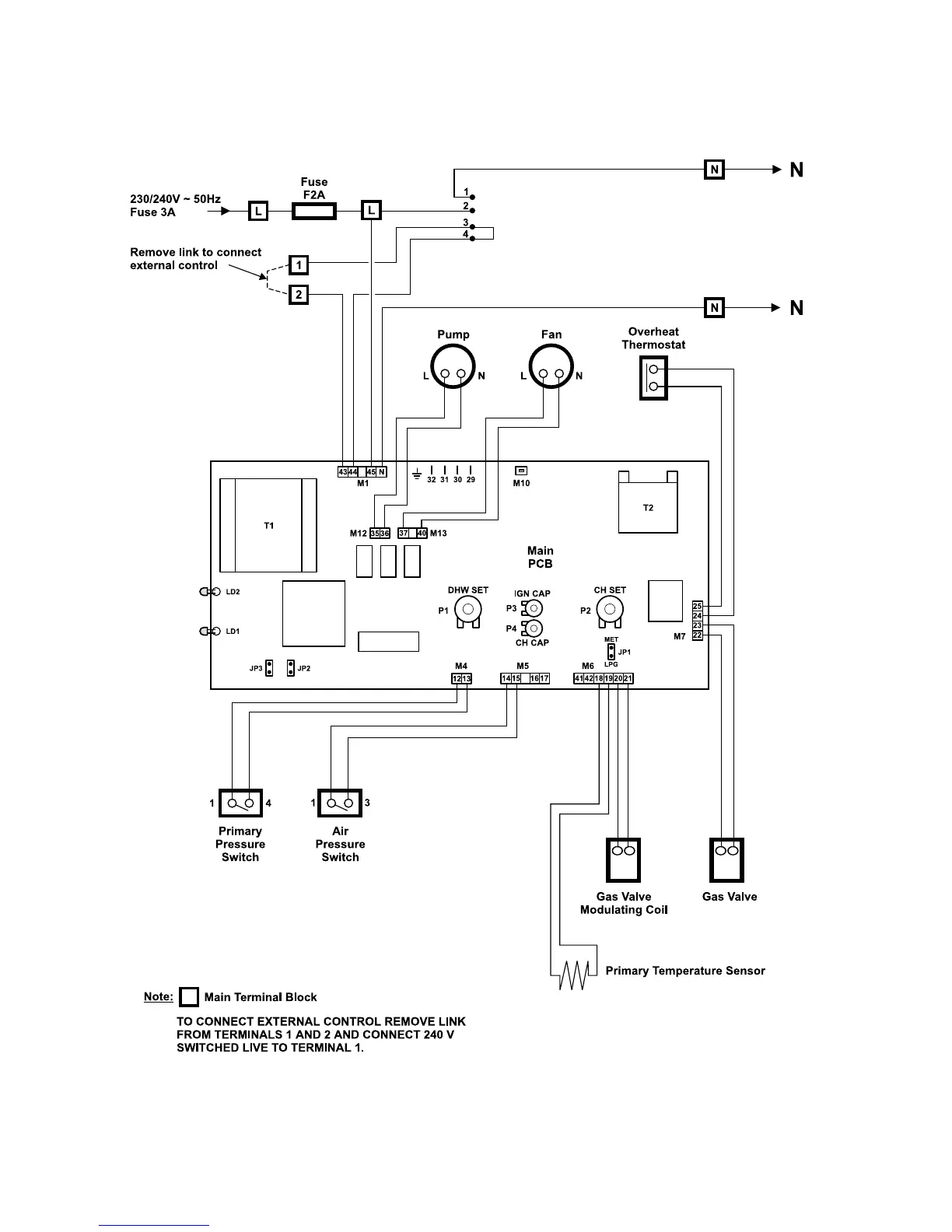
9.2 FUNCTIONAL FLOW WIRING DIAGRAM
Alpha SY24 - Wiring Diagrams