EasyManua.ls Logo

Alpha C23 - Page 28

Alpha C23
36 pages
Print Icon
To Next Page IconTo Next Page
To Next Page IconTo Next Page
To Previous Page IconTo Previous Page
To Previous Page IconTo Previous Page
Loading...
28
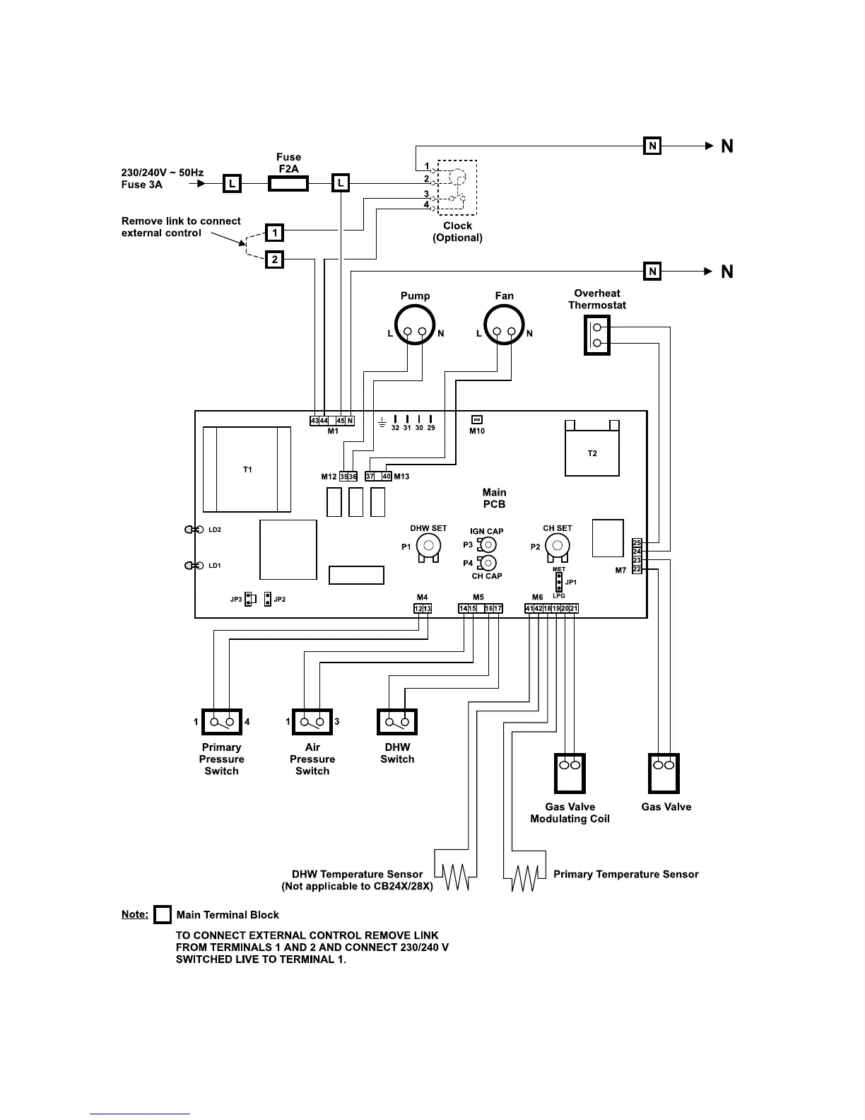
Alpha C23/27 - Wiring Diagrams
9.2 FUNCTIONAL FLOW WIRING DIAGRAM

Other manuals for Alpha C23

Related product manuals