EasyManua.ls Logo

Alpha C23 - Wiring Diagrams

Alpha C23
36 pages
Print Icon
To Next Page IconTo Next Page
To Next Page IconTo Next Page
To Previous Page IconTo Previous Page
To Previous Page IconTo Previous Page
Loading...
27
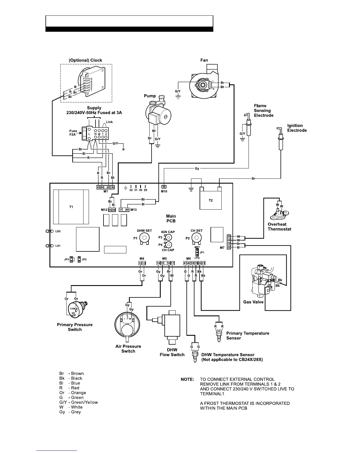
9.1 ILLUSTRATED WIRING DIAGRAM
Alpha C23/27 - Wiring Diagrams
9 WIRING DIAGRAMS

Other manuals for Alpha C23

Related product manuals