EasyManua.ls Logo

Alpha CB28 - Page 28

Alpha CB28
36 pages
Print Icon
To Next Page IconTo Next Page
To Next Page IconTo Next Page
To Previous Page IconTo Previous Page
To Previous Page IconTo Previous Page
Loading...
28
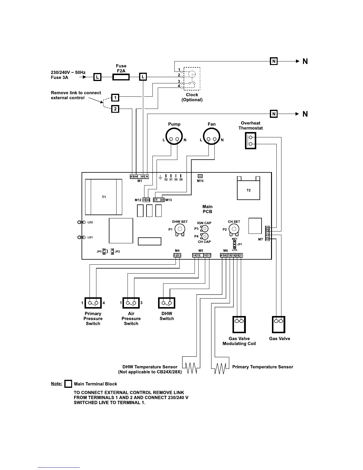
Alpha CB24/28 - Wiring Diagrams
9.2 FUNCTIONAL FLOW WIRING DIAGRAM

Other manuals for Alpha CB28

Related product manuals