EasyManua.ls Logo

Alpha CD12S - Page 11

Alpha CD12S
44 pages
Print Icon
To Next Page IconTo Next Page
To Next Page IconTo Next Page
To Previous Page IconTo Previous Page
To Previous Page IconTo Previous Page
Loading...
11
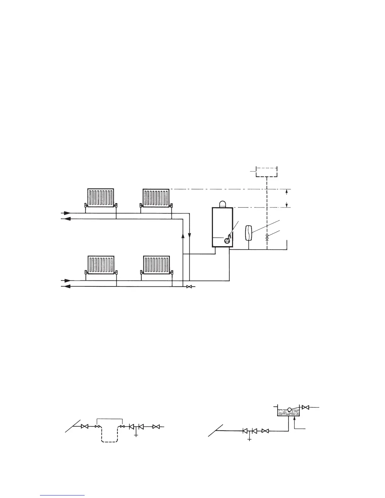
3.7 CENTRAL HEATING SYSTEM - Fig. 6
The boiler is designed for use in a sealed central heating system in accordance with the requirements of BS 5449 and BS 6798.
The system should be designed to operate with flow temperatures of up to 82°C. When designing the system, the pump head,
expansion vessel size, mean radiator temperature, etc. must all be taken into account. Refer to the pump performance table
for guidelines.
System volume - The expansion vessel incorporated into the boiler is suitable for a sealed heating system with a maximum
water content of 80 litres (18 gal). Above 80 litres, consideration should be given to fitting an additional expansion vessel
fitted in the position shown in Fig. 6. To check correct operation of the expansion vessel(s) the system pressure should not be
more than 2.5 bar when the system is at maximum operating temperature (for further guidance refer to BS 7074:1).
The boiler is supplied with the following components built in:-
Pressure relief valve - complying with BS 6759 and set to operate at 3 bar. The discharge pipe must be routed clear of the
boiler and terminated in such a manner that it can be seen, but cannot cause injury to persons or property.
Pressure gauge - To indicate the system pressure to be maintained.
Expansion vessel - Conforming to BS 4814 with a capacity of 8 litres and pre-charged to a pressure of 0.8 bar.
By-pass - The boiler incorporates an automatic by-pass, therefore an automatic by-pass is not required for the system.
Cyclone (if applicable) - This is a device fitted in the heating return within the optional Premier Pack wall jig to remove any
foreign or solid matter etc. from the system.
Note: A drain tap should be installed at the lowest point
of the heating circuit and beneath the appliance.
System
drain tap
Static head of system
Make up vessel
Additional expansion
vessel (if required)
Automatic
air vent
Boiler
casing
Heating flow
Heating return
Filling point
Double check valve assy.
Fig. 6
Fig. 7 Fig. 8
Filling loop
temporarily connected
Heating circuit
return
Mains
water
supply
Stop
valve
Hose
unions
Stop
valve
Double check
valve assembly
Test cock
Feed cistern to be
located above highest
point in the system
Mains
water
supply
Stop
valve
Test cock
Double check
valve assembly
Overflow
Heating circuit
return
3.8 FILLING THE CENTRAL HEATING SYSTEM - Figs. 7, 8
The system design pressure (cold) should be set to 1.0 bar. This pressure is equivalent to a static head (see Fig. 6) of 10.2
metres of water
Provision should be made to replace water lost from the system. This can be by manual or automatic means, as shown in
Figs. 7 and 8. The position for connecting an automatic make-up vessel is indicated in Fig. 6. A double check valve assembly
must be used, as shown in Fig. 7.
Filling of the system must be carried out in a manner approved by the local Water Undertaking. Where allowed, the system
may be filled via a temporary connection as shown in Fig. 7. After filling, always disconnect the flexible hose of the filling loop.
All fittings used in the system must be able to withstand pressures up to 3 bar.
Drain taps (to BS 2879) must be used to allow the system to be completely drained.
Alpha CD12S/20S/28S - General Boiler Information

Related product manuals