EasyManua.ls Logo

Alpha CD32C - Page 25

Alpha CD32C
40 pages
Print Icon
To Next Page IconTo Next Page
To Next Page IconTo Next Page
To Previous Page IconTo Previous Page
To Previous Page IconTo Previous Page
Loading...
25
Alpha CD24C/32C - Component Replacement
8.6 FAN - Fig. 28
1. Gain access behind the room sealed chamber panel as described in Section 8.1. For the CD32C, also remove the
combustion chamber front assembly as described in Section 7.2.
2. Disconnect the fan wiring.
3. Remove the inlet and outlet flanges from the fan. Fit the new fan and re-assemble in reverse order.
Ensure that the pressure tubes are connected correctly.
4. Re-assemble and test the boiler as described in
Routine Servicing, Section 7.4 paragraphs 5 to 9.
8.7 IGNITION GENERATOR - Fig. 28
1. Gain access behind the room sealed chamber panel
as described in Section 8.1.
2. Disconnect all the wiring from the ignition generator.
3. Remove the two screws securing the generator and
remove.
4. Secure the new generator in position and re-
connect the wiring.
5. Re-assemble in reverse order.
8.8 TRANSFORMER - Fig. 28
1. Gain access behind the room sealed chamber
panel as described in Section 8.1. For the CD32C,
also remove the fan as described in Section 8.6.
2. Remove the two screws securing the transformer
and remove the transformer.
3. Disconnect all of the wiring noting their position.
4. Fit the new transformer and re-assemble in reverse order.
8.9 OVERHEAT THERMOSTAT - Fig. 28
1. Gain access behind the room sealed chamber panel as described in Section 8.1.
2. Disconnect the wiring from the overheat thermostat.
3. Unscrew and remove the overheat thermostat from the heat exchanger.
4. Fit the new overheat thermostat taking care not to cross thread it and re-assemble in reverse order.
8.10 FLUE THERMOSTAT - Fig. 28
1. Gain access behind the room sealed chamber panel as described in Section 8.1.
2. Remove the thermostat from the spring clip at the top rear of the heat exchanger.
3. Disconnect the wiring.
4. Fit the new thermostat and re-assemble in reverse order.
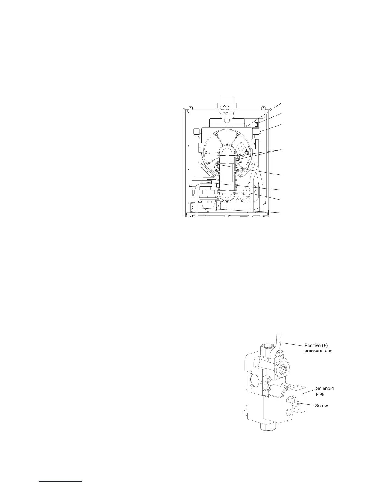
8.11 GAS VALVE - Fig. 29
1. Gain access behind the casing as in Section 8.1.
2. Disconnect the positive pressure tube from the gas valve.
3. Loosen the one screw (see Fig. 25) securing the electrical plug and
disconnect the plug.
4. Disconnect the burner manifold union and the gas inlet pipe union.
5. Remove the two manifold screws from beneath the boiler.
6. Push the valve towards the rear of the boiler and lift out the valve assembly.
7. Remove the inlet and outlet flanges and fit them to the new valve.
8. Fit the new assembly and re-assemble in reverse order.
9. Light the boiler and test for gas soundness. (Refer to Commissioning,
Section 5.4) and the instructions supplied with the replacement valve for
adjustment of the valve.
10. Complete re-assembly as described in Routine Servicing, Section 7.4
paragraphs 5 to 9.
Fig. 29
Fig. 28
Fan assembly
Flue thermostat
Primary temperature sensor
Overheat thermostat
Ignition electrodes
Flame sensing electrode
Ignition generator
Transformer

Other manuals for Alpha CD32C

Related product manuals