EasyManua.ls Logo

Alpine 3DE-7886R - Page 13

Alpine 3DE-7886R
92 pages
Print Icon
To Next Page IconTo Next Page
To Next Page IconTo Next Page
To Previous Page IconTo Previous Page
To Previous Page IconTo Previous Page
Loading...
3DE-7886R
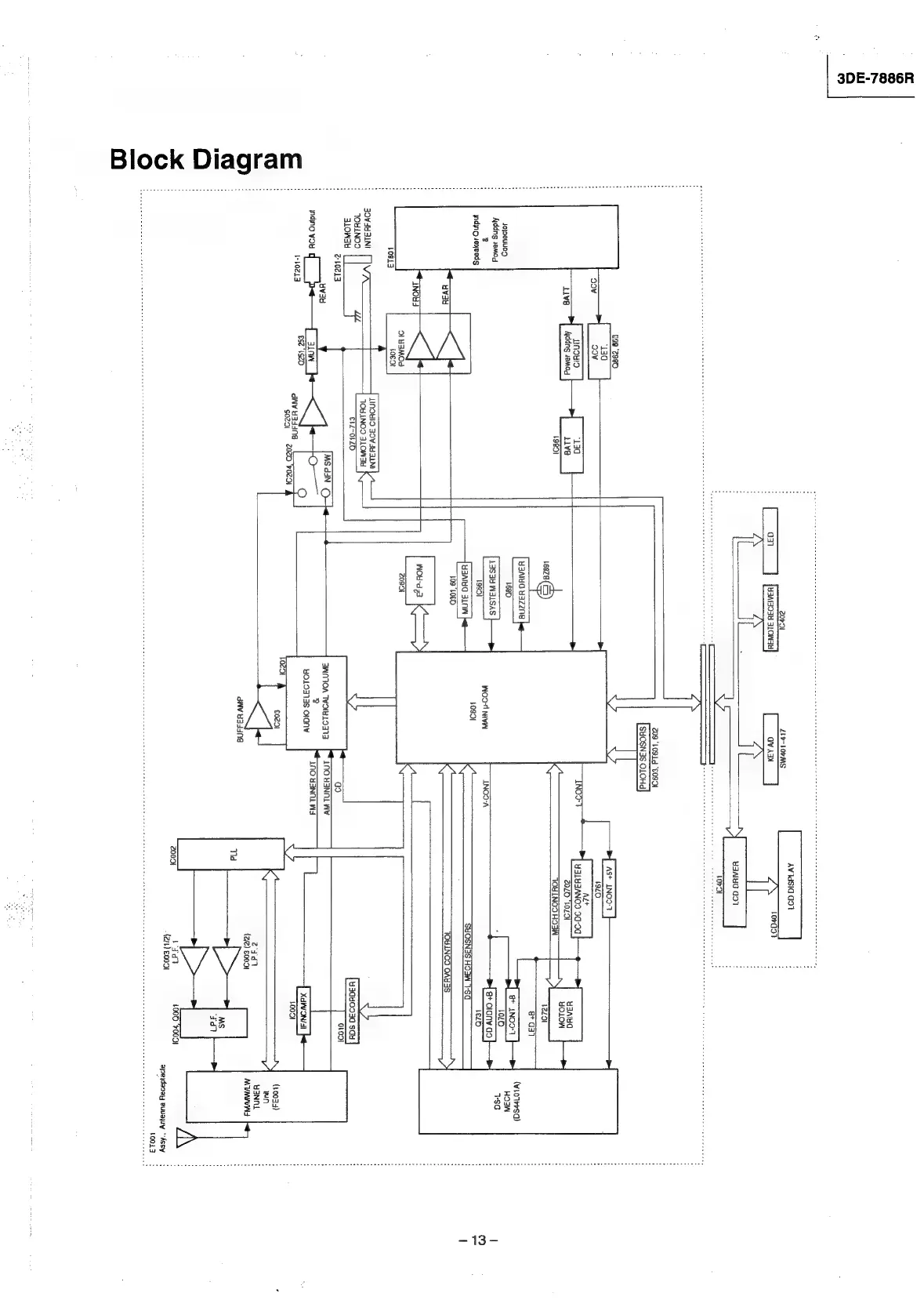
Block
Diagram
£99
‘2980.
az
AW1dSId
G91
20rd!
LbP-bOPMS
¥3A303H
3LONFH
Aa
“130
ov
90¥
209
'109.1d
‘£0991
[SHOSN3S
OLOHg]
1920
ALt
INOS"
YALYIANOOD
90-90
LINdWiD
“Lad
‘liva
Addng
samo
ilva
49891
Jopeuueg
Addng
samog
a
nding
Jeyxeads
INOS
O1Y3MOd
TE]
4oeot
LINDY
JOVSHSLNI
ules
{|
oy
NOD
SLOWSH
3LOWSH
CIL-O1LO
ean
a
210213
2
CETTE)
a
ain]
=
me™_
2
awmion
Twoutosa
[INO
WSNAI
AY
ae
215
.
woLoms
orany
ANO
HANNE
Na
b-b0@L3
£S2
1620
O
dV
43348
soza1
|
2020
"POZOF
Z0Z0
VOLOI
¥aAlua
YOLOW
TOY.LNOD
HOS
P|
\68za
(6)
SAIN
H3ZZNE
po
eee
=
(viotwrsa)
:
.
18a
:
L3S34
WALSAS
Woot
NIV
+
o1any
09
:
13991
(005
beZD
;
[uaAIuG
SLM
|
3LNw
:
toe"
oe
)
TOHINOD
OAUSS
J
(=k
20991
GW
¥355N8
Td
0001
Vid
4005
76001
apeideosy
Buuayy
‘Assy
.
40013
-13-

Related product manuals