EasyManua.ls Logo

Alpine 5953 - Page 14

Alpine 5953
28 pages
Print Icon
To Next Page IconTo Next Page
To Next Page IconTo Next Page
To Previous Page IconTo Previous Page
To Previous Page IconTo Previous Page
Loading...
|
5953
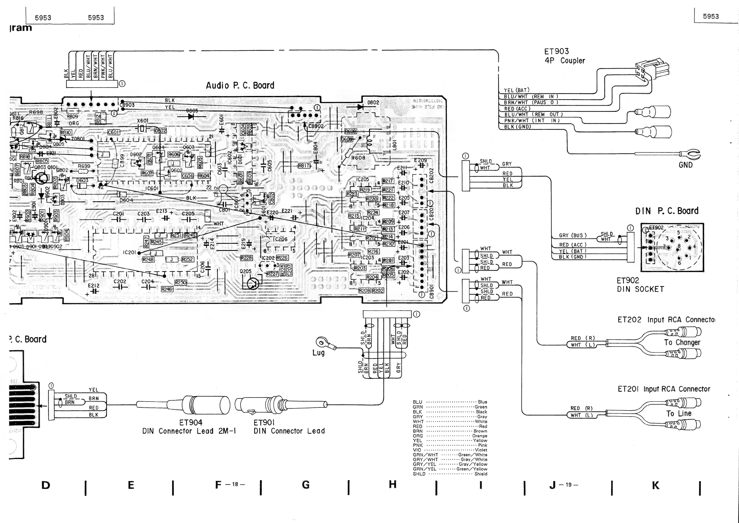
ET903
4P
Coupler
SS
a
=
2
YEL
(BAT)
BLU/WHT
(REM
IN
)
BRN/WHT
(PAUS
0)
RED
(ACC
)
ry
BLU/WHT
(REM
OUT)
PNK/WHT
(INT
IN)
BLK
(GND)
m1)
)
FS
7
-
a
;
:
:
:
eee
.
eee
: 4
al
,
a
Rade
_)|
Prezor
Ms
~
WHT
SHLD
Tfyrep
Se?
gig
C202,
C204.
A
le
ae
ET902
+
0h
oe
pel
DIN
SOCKET
ET202
Input
RCA
Connecto:
2
C.
Board
RED
(R)
DIN
Connector
Lead
2M-|
DIN
Connector
Lead
ve
eeeees
Green/White
GRYAWHT
ceeeeeees
Gray
“White
GRY/YEL
verreeeee
Gray
“Yellow
GRN/YEL
srreere:
Green/Yellow
SHLD
ceccecceeeeeceeeeeees
Shield
D
|
E
Sse
|
G
|
H
|
l
|
J
—19-
K
|