EasyManua.ls Logo

Alpine CDA-9812RB - Exploded View (Cabinet) (1;3)

Alpine CDA-9812RB
90 pages
Print Icon
To Next Page IconTo Next Page
To Next Page IconTo Next Page
To Previous Page IconTo Previous Page
To Previous Page IconTo Previous Page
Loading...
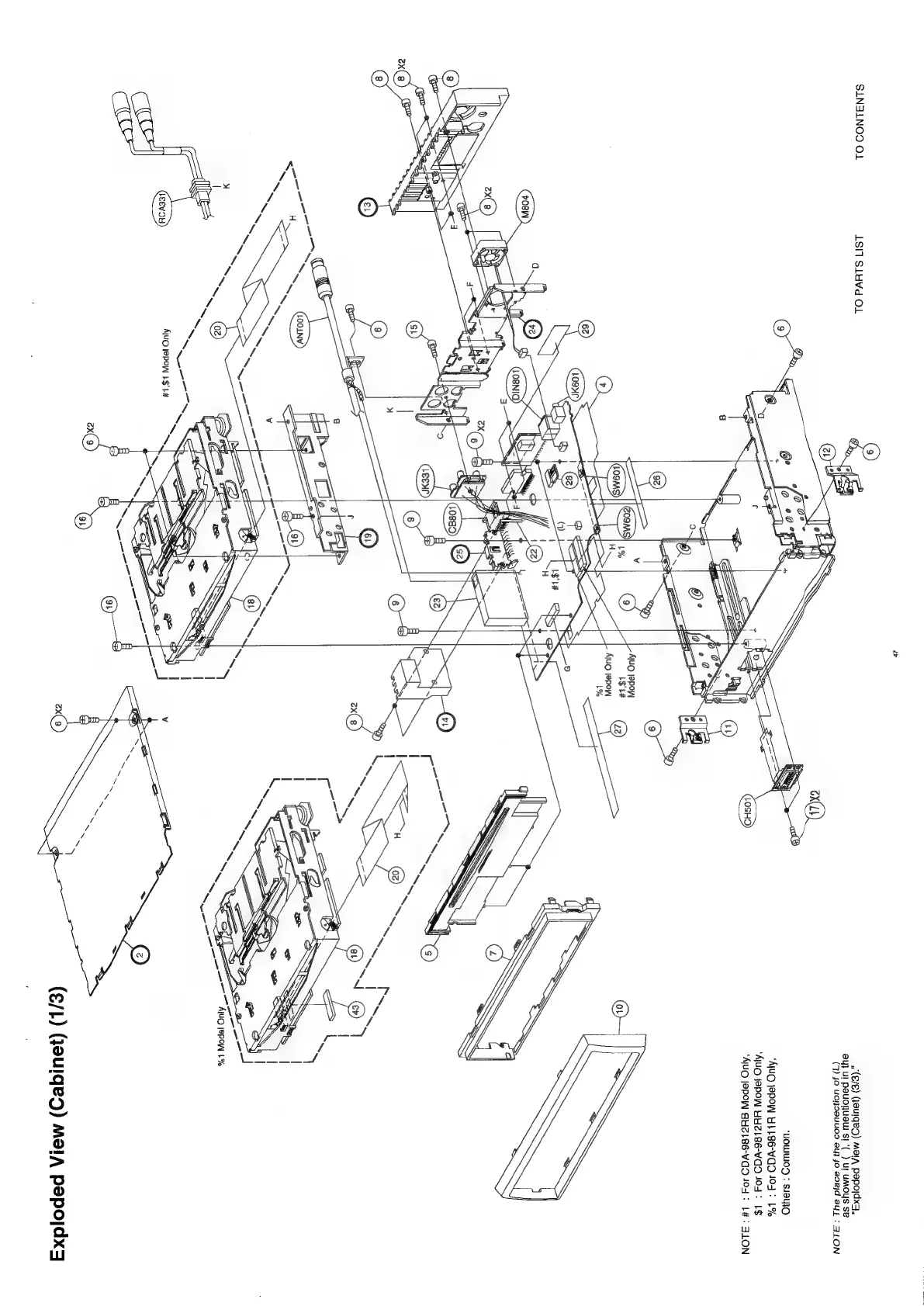
Exploded
View
(Cabinet)
(1/3)
#1,$1
Model
Only
%1
Model
Only
ae.
=
>
|
Only
=
Fifie
°o
%1
Model
Onl
#1,$1
Model
Only
IS
&
Si
YS
|
8
NOTE
:
#1
:
For
CDA-9812RB
Model
Only,
$1
:
For
CDA-9812RR
Model
Only,
%1
:
For
CDA-9811R
Model
Only,
Others
:
Common.
A
f
/\
\
\\
TO
CONTENTS
TO
PARTS
LIST
as
shown
in
(_),
is
mentioned
in
the
"Exploded
View
(Cabinet)
(3/3).”
NOTE
:
The
place
of
the
connection
of
(L)

Related product manuals