EasyManua.ls Logo

Alpine CDA-9835R - Page 21

Alpine CDA-9835R
85 pages
Print Icon
To Next Page IconTo Next Page
To Next Page IconTo Next Page
To Previous Page IconTo Previous Page
To Previous Page IconTo Previous Page
Loading...
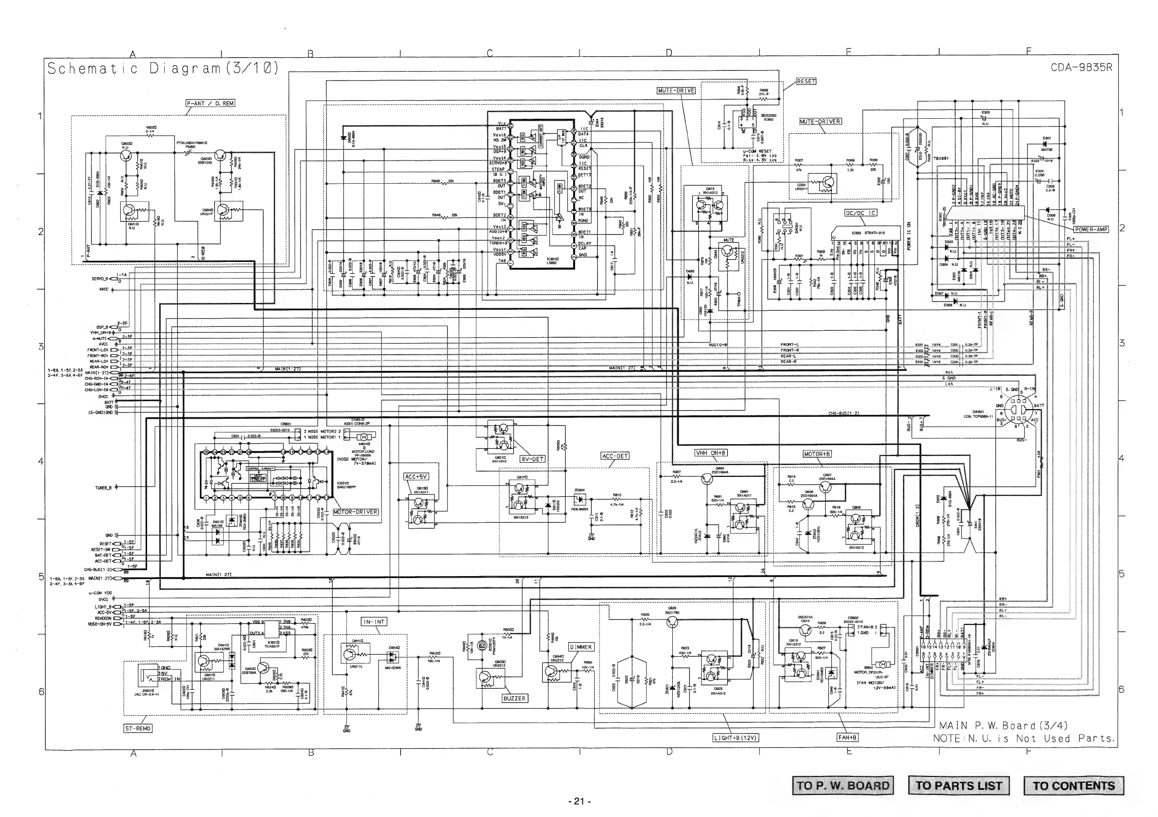
CDA-9835R
A
Schematic
Diagram
(3/1@)
P-ANT
7
0.
REM
MUTE-DRIVER
u-COM
RESET
H
Fail:3.QV
typ
tt
Rise:4.3V
tye
R817
D860
18S133
4001/4
:
i
PIM
OBI
TR
ot
6332)
|
0.33-TF
A-MUTE
<>
.
ws
Lt
ee
ce
peal
0
ee
eee
oe
onsen
enone
a
seacoast
sancieseosemaneseasencececsncocnny
i
RH
a
AE
sp
Ss
UN
POONER
Spin
ace
3
Acco
1-8A,
1-5F,
2-58
EAR
RG
2-4F,
3-6A.4-6r
MAIN(1
27)
<5
CHG-ROH-IN
<P
CHG-GND-IN
<I
CHLOL
IN
ger
ove
4
BaTT
¢
GND
(S-GND)
GNO
$———
“nN
NOSE
MOTOR2
2
NOSE
MOTOR1
1
e310
o
MOTOR
LOAD
FF-O50SK
(NOSE
MOTOR
7V-378mA)
TUNERB
§
GNo
RESET
=
RESET-SW
oo
BAT-DET
<=
ACC-DET
<pOISBE
©
1-56
CHG-BUS
[1
:2)<—
>a
5
1-6A,
1-5F,
2-3A
MAIN[1'27)
<>
2-4F,
3-3A,
4-6F
F
u-COM
VDD
M802
MOTOR,
DF251R—
12LC-07
{FAN
MOTOR/
12V-68mA)
MAIN
P.
W.
Board
(3/4)
NOTE:N.
U.
is
Not
Used
Parts.
-21-

Other manuals for Alpine CDA-9835R

Related product manuals