EasyManua.ls Logo

Alpine CDA-9885 - Connection Details

Alpine CDA-9885
39 pages
Print Icon
To Next Page IconTo Next Page
To Next Page IconTo Next Page
To Previous Page IconTo Previous Page
To Previous Page IconTo Previous Page
Loading...
36-EN
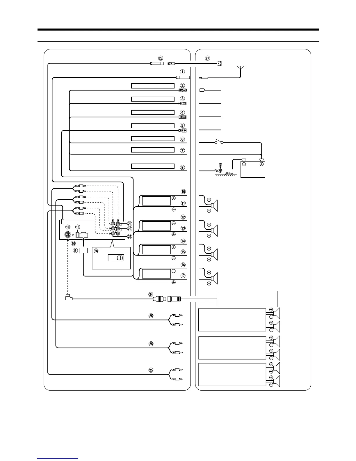
Connections
*
1
The label is attached on the bottom of the unit.
NORM
Ai-NET
EQ/DIV
*
1
Antenna
Blue POWER ANT
Blue/White
Orange ILLUMINATION
Red IGNITION
Yellow BATTERY
Black GND
Gray
SPEAKER
RIGHT FRONT
White
To power antenna
To amplifier or equalizer
To vehicle phone
Ignition Key
Battery
Speakers
Front right
Rear right
Rear left
Front left
CD Changer
(Sold Separately)
Speakers
Amplifier
Amplifier
Amplifier
Rear Left
Rear Right
Front Left
Front Right
Subwoofers
To iPod
Gray/Black
Violet/Black
Violet
Green
Green/Black
White/Black
SPEAKER
RIGHT REAR
SPEAKER
LEFT REAR
SPEAKER
LEFT FRONT
REMOTE TURN-ON
To the instrument cluster illumination
lead
Pink/Black
AUDIO INTERRUPT IN

Table of Contents

Other manuals for Alpine CDA-9885

Related product manuals