EasyManua.ls Logo

Alpine CDA-9885R - Connections

Alpine CDA-9885R
42 pages
Print Icon
To Next Page IconTo Next Page
To Next Page IconTo Next Page
To Previous Page IconTo Previous Page
To Previous Page IconTo Previous Page
Loading...
32-EN
01GB06CDA-9885R.fm
ALPINE CDA-9885R 68-08564Z15-A (EN)
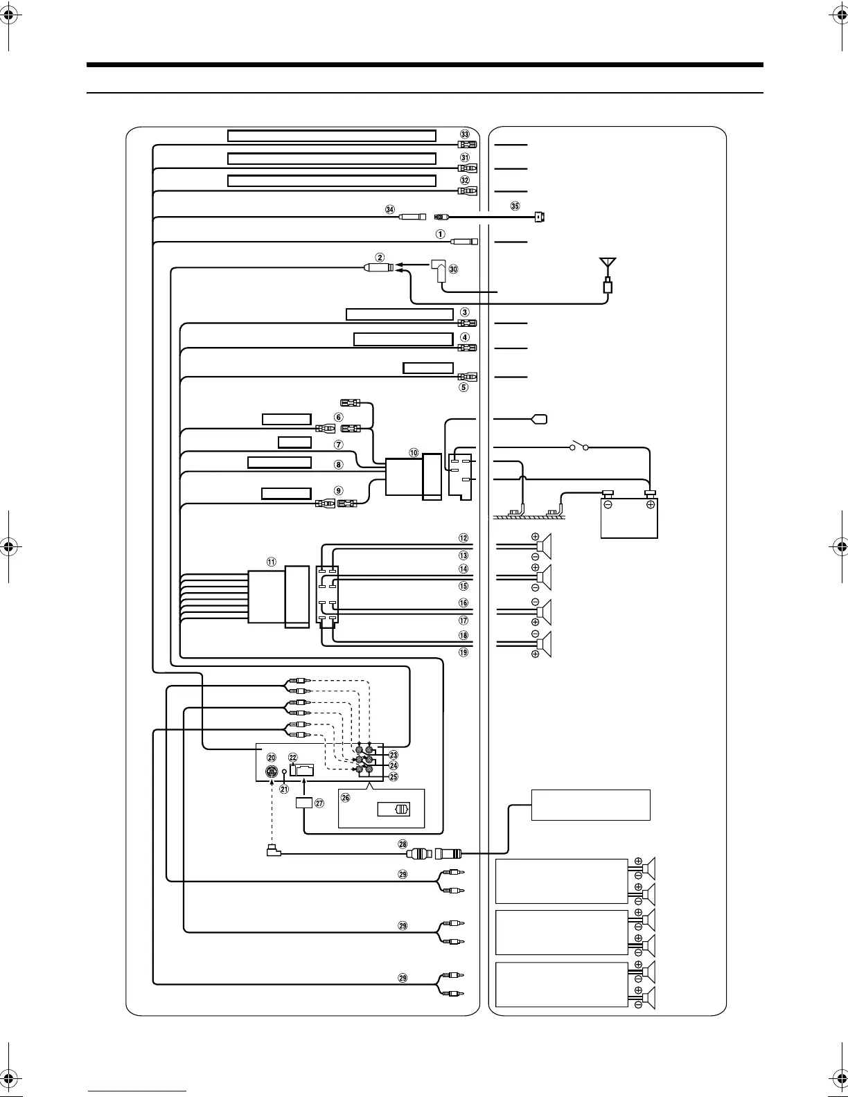
Connections
Ai-NET
NORMEQ/DIV
*
1
(Black) ADAPTIVE STEERING REMOTE G . GND
(Pink/Black) AUDIO INTERRUPT IN
(Green)
(Green/Black)
(White)
(White/Black)
To iPod
To Vehicle Display Interface
JASO Antenna Plug
To vehicle phone
Ignition Key
Speakers
Rear Left
Front Left
CD Changer
(Sold Separately)
Speakers
Amplifier
Amplifier
Rear Left
Front Left
To adaptive steering remote
control interface box
(Brown/Yellow)
ADAPTIVE STEERING REMOTE CONTROL IN1
(Brown/Orange) ADAPTIVE STEERING REMOTE CONTROL IN2
To adaptive steering remote
control interface box
To adaptive steering remote
control interface box
ISO Antenna Plug
To amplifier or equalizer
To the instrument cluster
illumination lead
To power antenna
Battery
Front Right
Rear Right
Rear Right
Front Right
Subwoofers
(Blue/White) REMOTE TURN-ON
(Orange) DIMMER
(Red) IGNITION
(Black) GND
(Blue) POWER ANT
BATTERY
(Yellow)
(Grey/Black)
(Grey)
(Violet/Black)
(Violet )
Antenna
Amplifier
(Black)
(Blue)
*
1
The label is attached on the bottom of the unit.
68-08564Z15-A_F.book Page 32 Friday, November 17, 2006 5:14 PM

Table of Contents

Related product manuals