EasyManua.ls Logo

Alpine CDE-9881 - Page 86

Alpine CDE-9881
88 pages
Print Icon
To Next Page IconTo Next Page
To Next Page IconTo Next Page
To Previous Page IconTo Previous Page
To Previous Page IconTo Previous Page
Loading...
26-ES
01GB05CDE9881.fm
ALPINE CDE-9881 68-08564Z04-A (ES)
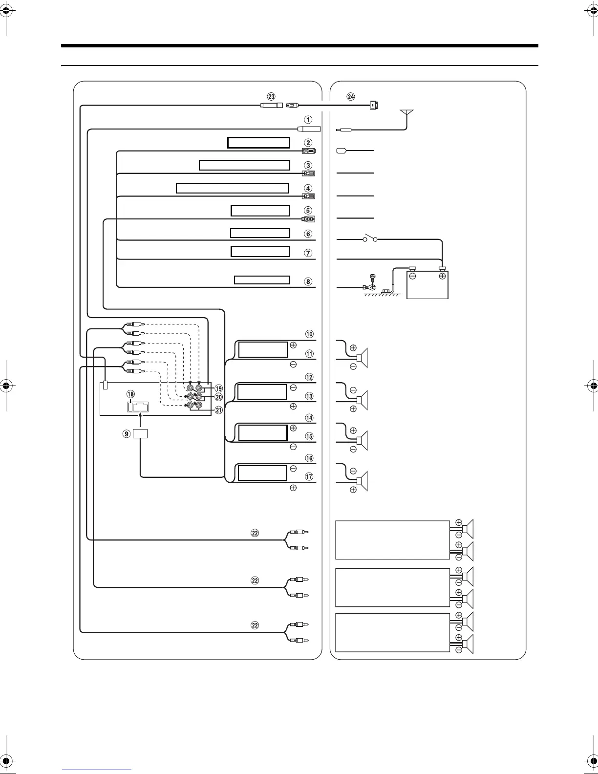
Conexiones
Antena
Azul
ANTENA ELÉCTRICA
Azul/blanco
Naranja ILUMINACIÓN
Negro MASA
Amarillo BATERÍA
Verde
Verde/negro
Blanco/negro
Gris
Violeta/negro
Violeta
Al iPod
A la antena eléctrica
Al amplificador
Al cable de iluminación del conjunto de
instrumentos
Llave de contacto
Batería
Altavoces
Posterior izquierdo
Frontal derecho
Posterior derecho
Amplificador
Blanco
ALTAVOZ FRONTAL
DERECHO
ALTAVOZ POSTERIOR
DERECHO
ALTAVOZ POSTERIOR
IZQUIERDO
ALTAVOZ FRONTAL
IZQUIERDO
Frontal izquierdo
ACTIVACIÓN AUTOMÁTICA
Altavoces de
subgraves
ENTRADA DE INTERRUPCIÓN DE AUDIO
Rosa/negro
Rojo ENCENDIDO
Gris/negro
Al teléfono del vehículo
Amplificador
Amplificador
Posterior
izquierdo
Posterior
derecho
Frontal
izquierdo
Frontal
derecho
Altavoces
01GB00CDE9881.book Page 26 Friday, September 22, 2006 3:34 PM

Table of Contents

Related product manuals