EasyManua.ls Logo

Alpine CDM-7874RB - Page 10

Alpine CDM-7874RB
49 pages
Print Icon
To Next Page IconTo Next Page
To Next Page IconTo Next Page
To Previous Page IconTo Previous Page
To Previous Page IconTo Previous Page
Loading...
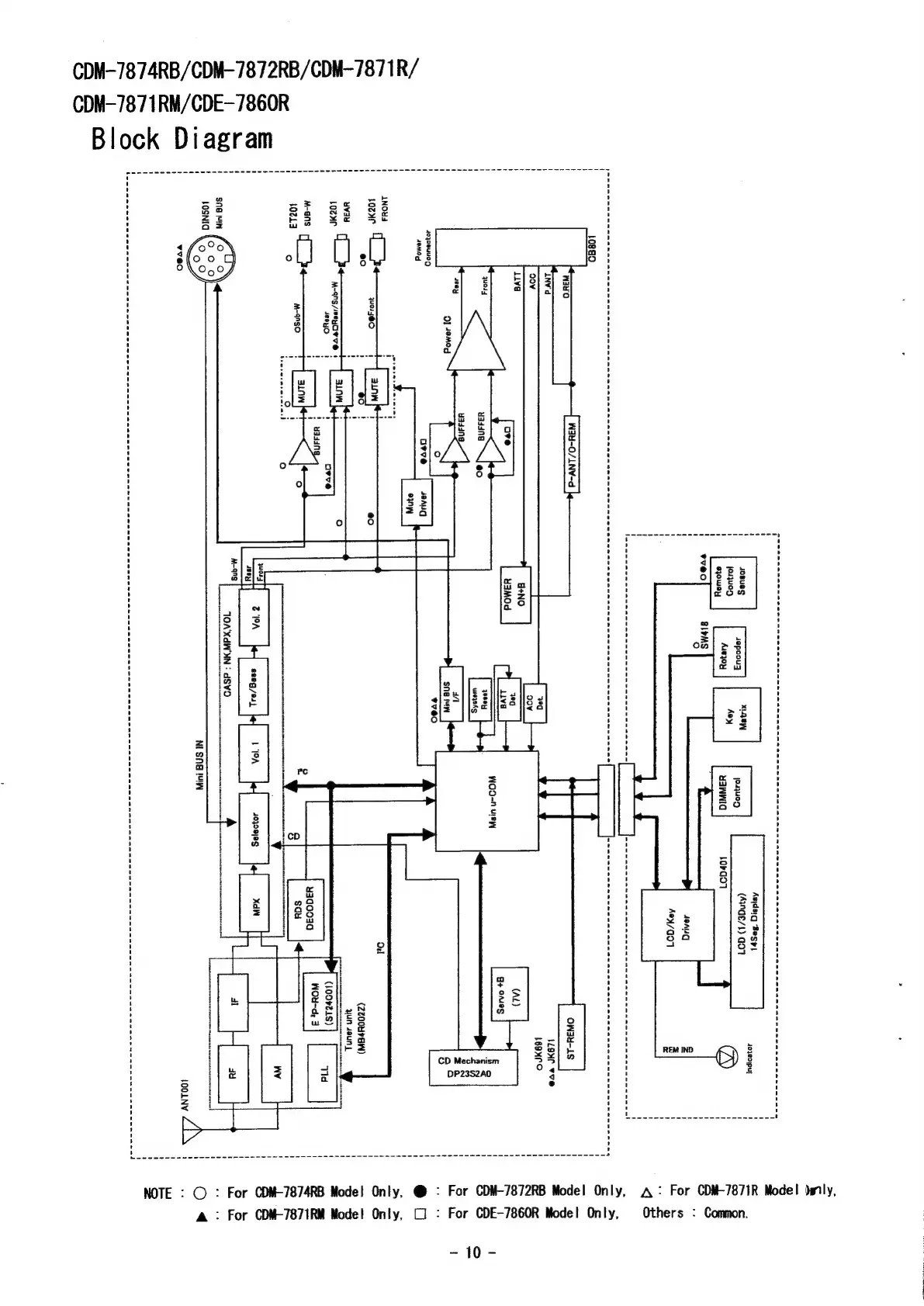
CDN-7874RB/CDM-7872RB/CDM-7871R/
CDN-7871RM/CDE-7860R
Block
Diagram
Agdsiq
‘Besy)
407
80)puy
t
'
1
H
sosueg
(ANd
E/$)
G07
I
foqueg
aeeid
10v007
|
veo
t
4oauq
4
!
Aey/G01
H
'
t t
1
108a0
||
=
if,
ian
f————!
ae
ao
te9yro
(AL)
@+
OMNES
—_————_————
deoy
CD
Mechanism
DP23S2A0
Ol
4emog
4OJOOUUSH
JOMOg
(ZZ200NPEN)
oem
yun
aeun
Lozr
LJ
M-{NS/BOYOTV®
+
48040
£
M-8ns
th
°
$013
_____
OA
XA"
YN
=
dSVO
1
! '
' t t t
t
'
!
t
'
'
t
t t '
t '
1
'
1
' a 1 i
1
' 1
'
' ' '
i)
t '
ANOUS
1
!
Lozme
{3
301380
'
@0
t
1 1
' 1 1
1
i)
'
1
1
I ' t
'
'
'
1 1
1
1
1
I
t
H
NSN
MW
i
i}
t t ' ' -
1
i}
t
1
(Loove1s)
[
|
yaqo030
WOU-de
3
sau
Det
f=
ser
Ret
:
For
CDM-7872RB
Model
Only,
A
:
For
CDM-7871R
Model
dsily,
:
For
CDE-7860R
Model
Only,
:
For
CDM-7874RB
Mode!
Only,
@
:O
NOTE
>
Common.
Others
A
.
For
CDM-7871RM
Model
Only,
0
LAGS

Related product manuals