EasyManua.ls Logo

Alpine HALO9 - Wiring and Connections; Standard Wiring

Alpine HALO9
35 pages
Print Icon
To Next Page IconTo Next Page
To Next Page IconTo Next Page
To Previous Page IconTo Previous Page
To Previous Page IconTo Previous Page
Loading...
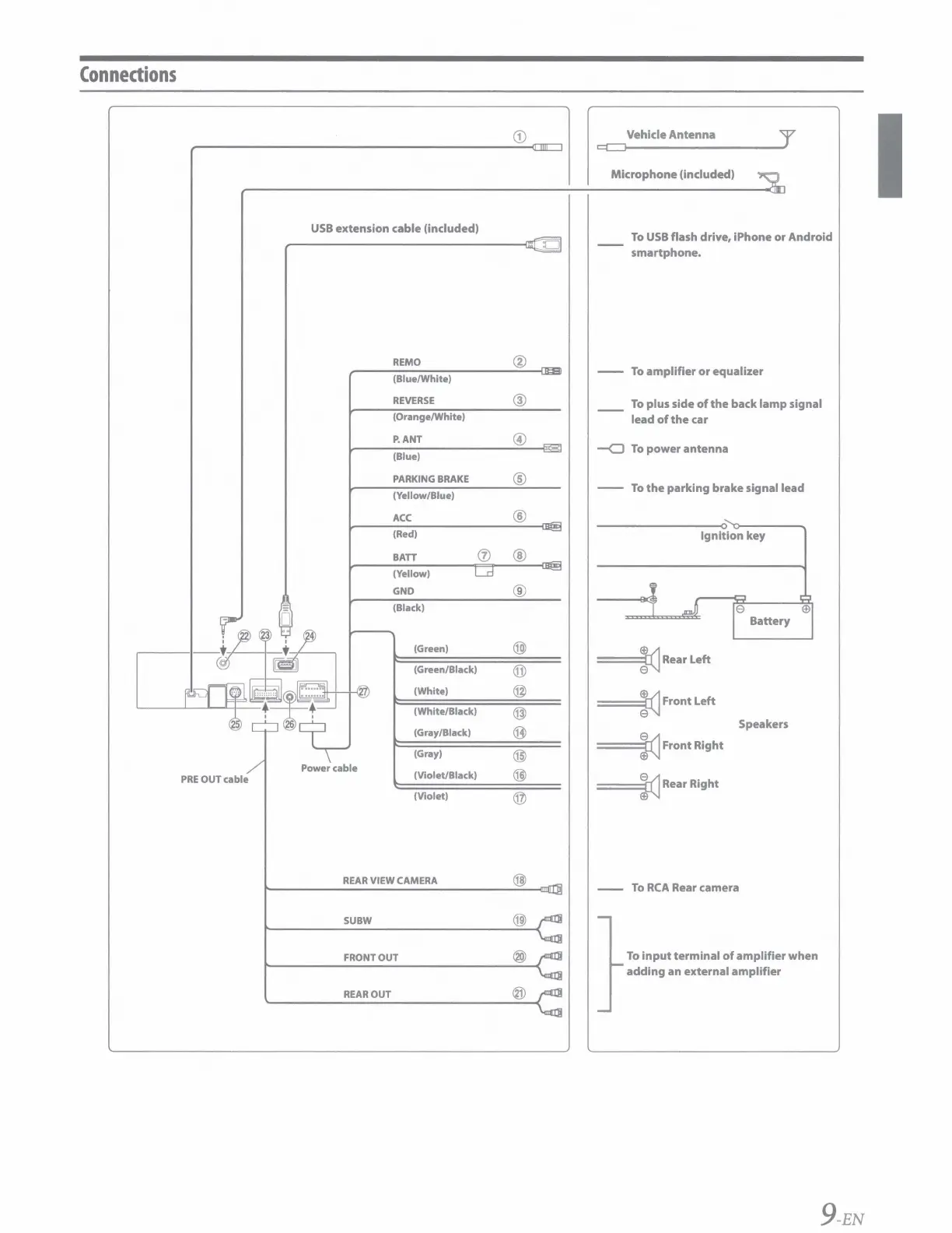
Connections
PRE
OUT cable
USB
extension cable (included)
Power cable
REMO
(Blue/White)
REVERSE
(Orange/White)
P.ANT
(Blue)
PARKING
BRAKE
(Yellow/Blue)
ACC
(Red)
BATT
(Yellow)
GND
(Black)
(Green)
(Green/Black)
(White)
(White/Black)
(Gray/Black)
(Gray)
(Violet/Black)
(Violet)
REAR
VIEW CAMERA
SUBW
FRONTOUT
REAR
OUT
©
®
@
@
®
®
@)
@
@
@
®
T
c:::::C=:J~----------
Vehicle Antenna
Microphone
(included)
To
USB
flash drive, iPhone
or
Android
smartphone.
To
amplifier
or
equalizer
To
plus
side
of
the
back
lamp
signal
lead
of
the
car
-a
To
power
antenna
--
To
the
parking
brake signal lead
Ignition
key
J
lC]
Rear Left
e
==~:c(]
Front
Left
en1
===@~
Front Right
l(] Rear Right
__
To
RCA
Rear camera
Speakers
To
input
terminal
of
amplifier
when
adding
an external
amplifier
9-EN
I