EasyManua.ls Logo

Alpine ICS-X7HD - Connection of an External device

Alpine ICS-X7HD
86 pages
Print Icon
To Next Page IconTo Next Page
To Next Page IconTo Next Page
To Previous Page IconTo Previous Page
To Previous Page IconTo Previous Page
Loading...
82-EN
01GB07ICS-X7HD.fm
ALPINE ICS-X7HD 68-21057Z34-A (EN/FR/ES)
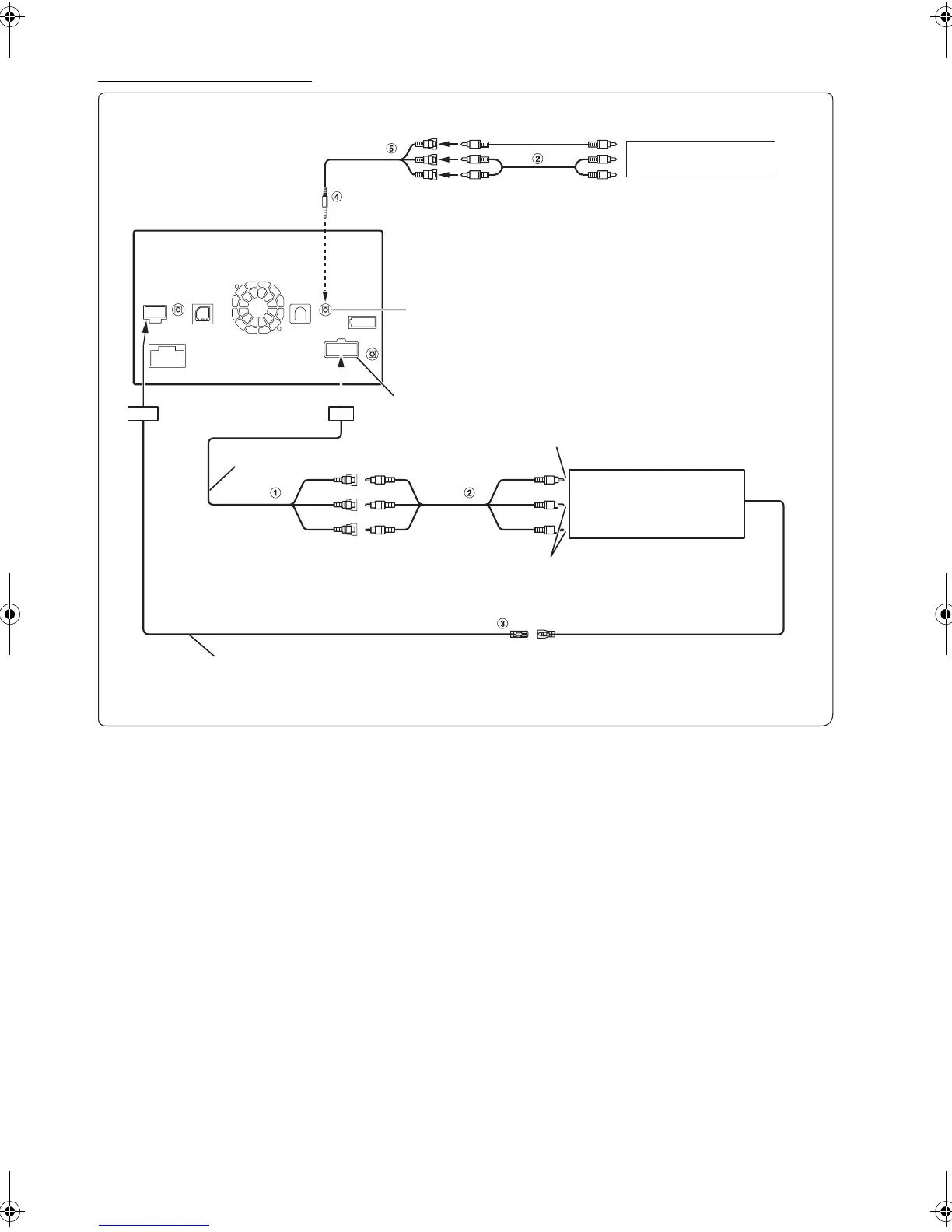
Connection of an External device
1 Video/Audio Input Connectors (AUX INPUT)
2 RCA Extension Cable (Sold Separately)
3 Remote Control Output Lead (Brown)
Connect this lead to the remote control input lead. This lead
outputs the controlling signals from the remote control.
4 AV/RCA interface cable (4-pole mini AV plug to 3-
RCA) (sold separately)
5 Video/Audio Input Connectors
YELLOW is for input video, RED is right and WHITE is left
input the audio.
You can change the name of an external device. Refer to “Setting the AUX Mode” (page 33).
To connect an external input device to the iPod VIDEO Connector, set “AUX3 In Sel.” to “AUX3.” Refer to “Setting the AUX3” (page 33).
AUX/PRE OUT Connector
AUX/PRE OUT Cable
(Yellow)
(Red)
(White)
To Video Output Terminal
To Audio Output Terminal
DVD Changer (Sold separately)
Remote Out/Reverse cable
REMOTE OUT
(Brown)
REMOTE IN
(White/Brown)
To Video Output Terminal
DVD Player
(sold separately)
To Audio Output Terminal DVE-5207, etc.
iPod VIDEO Input Connector
01GB00ICS-X7HD.book Page 82 Friday, October 12, 2012 5:20 AM

Table of Contents

Other manuals for Alpine ICS-X7HD

Related product manuals