EasyManua.ls Logo

Alpine INE-W720D - Page 46

Alpine INE-W720D
148 pages
Print Icon
To Next Page IconTo Next Page
To Next Page IconTo Next Page
To Previous Page IconTo Previous Page
To Previous Page IconTo Previous Page
Loading...
12-FR
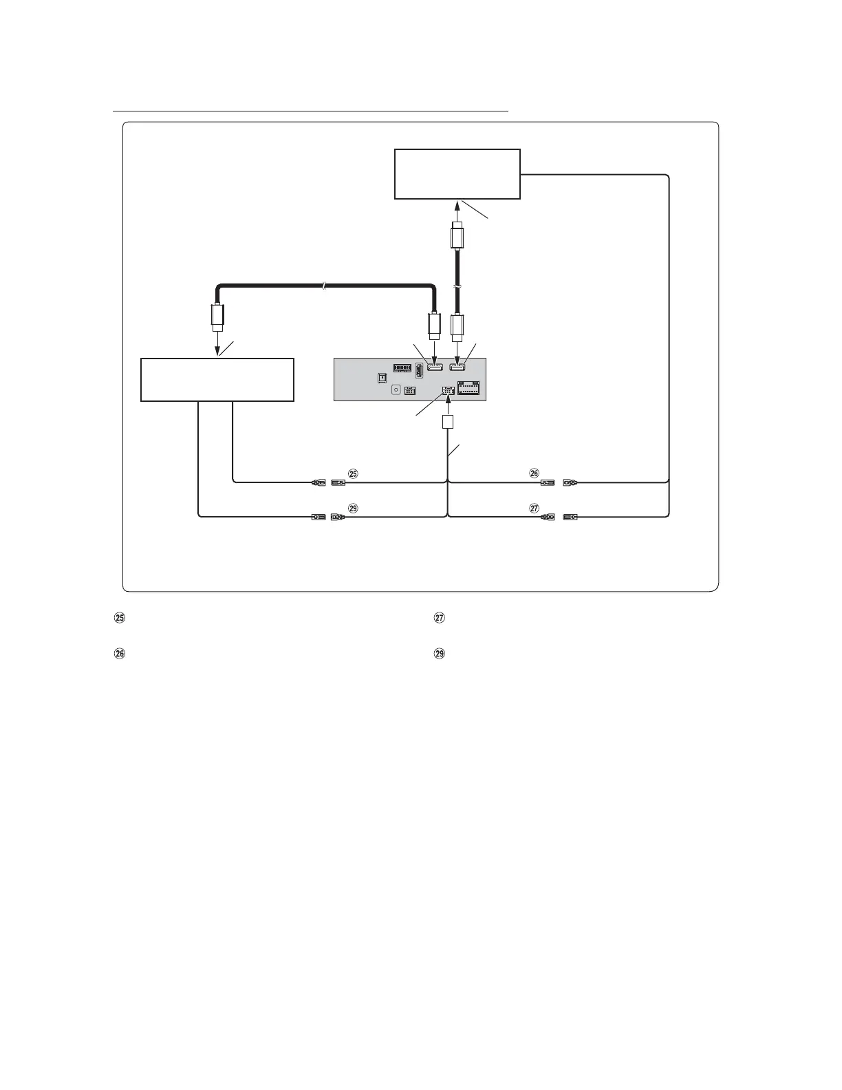
Raccordement d’un appareil DVE-5300 et d’un moniteur arrière compatible HDMI
Fil de sortie de la télécommande (Marron) (pour le
lecteur de DVD DVE-5300)
Fil de sortie de la télécommande (Marron) (pour le
moniteur arrière)
Fil d’entrée de la télécommande (Marron) (pour le
moniteur arrière)
Fil d’entrée de contrôle du DVD (Rouge/Blanc) (pour le
lecteur de DVD DVE-5300)
* Lorsque vous raccordez un câble de raccordement HDMI, veillez à la sécuriser à l’aide du support de fixation HDMI fourni. Pour plus de détails sur la
façon de le sécuriser, reportez-vous à la section « Remarque concernant l’utilisation de câbles de raccordement HDMI » (page 4).
Réglez Configuration HDMI sur « DVD ». Pour plus d’informations, reportez-vous à la section « Réglages HDMI » du MODE DEMPLOI (CD-ROM).
Connecteur de
sortie HDMI
Connecteur
d’entrée HDMI*
DVE-5300 (vendu séparément)
Connecteur d’entrée HDMI
Moniteur arrière
compatible HDMI
(vendu séparément)
Câble de raccordement HDMI
(vendu séparément)
Connecteur W.REMOTE
Câble de raccordement HDMI (fourni avec le modèle DVE-5300)
Connecteur de sortie HDMI*
REMOTE IN
(Brun)
DVD REMOTE
(Brun)
MON REMOTE
(Brun)
REMOTE IN
REMOTE OUTREMOTE IN
(Marron/Blanc)
Câble W.REMOTE
DVD STATUS IN
(Rouge/Blanc)
REMOTE OUT
(Brun)

Table of Contents

Related product manuals