EasyManua.ls Logo

Alpine INE-W720D - Page 94

Alpine INE-W720D
148 pages
Print Icon
To Next Page IconTo Next Page
To Next Page IconTo Next Page
To Previous Page IconTo Previous Page
To Previous Page IconTo Previous Page
Loading...
12-SE
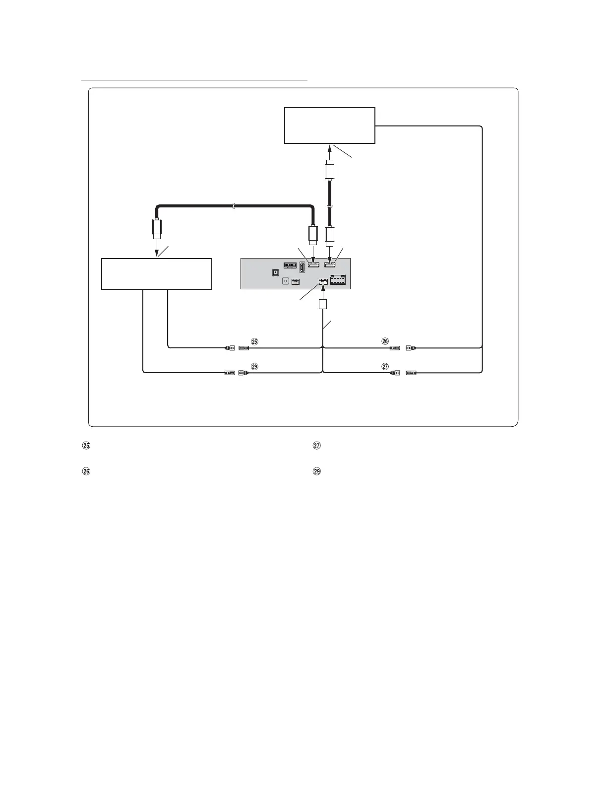
Ansluta en DVE-5300 och en bakre bildskärm med stöd för HDMI
Utgångsanslutning för fjärrstyrning (Brun) (För DVD-
spelare DVE-5300)
Utgångsanslutning för fjärrstyrning (Brun) (För bakre
bildskärm)
Ingångsanslutning för fjärrstyrning (Brun) (För bakre
bildskärm)
Ingångsanslutning för DVD-styrning (Röd/Vit) (För DVD-
spelare DVE-5300)
* Se till att fixera HDMI-kabeln ordentligt med hjälp av den medföljande fästkonsolen för HDMI. För ytterligare information om hur den sätts fast, se ”Att
notera vid användning av anslutningskablar för HDMI” (sida 4).
Ställ in HDMI-inställningarna till ”DVD”. Se ”HDMI-inställning” i bruksanvisningen (CD-ROM) för ytterligare information.
Utgångsanslutning för
HDMI
Ingångsanslutning för
HDMI*
DVE-5300 (säljs separat)
Ingångsanslutning för HDMI
Bakre bildskärm med stöd
för HDMI
(säljs separat)
Anslutningskabel för
HDMI (säljs separat)
W.REMOTE-anslutning
Anslutningskabel för HDMI (ingår med DVE-5300)
Utgångsanslutning för HDMI*
REMOTE IN
(Brun)
DVD REMOTE
(Brun)
MON REMOTE
(Brun)
REMOTE IN
REMOTE OUTREMOTE IN
(Brun/Vit)
W.REMOTE-kabel
DVD STATUS IN
(Röd/Vit)
REMOTE OUT
(Brun)

Table of Contents

Related product manuals