EasyManua.ls Logo

Alpine INE-W960E - Page 91

Alpine INE-W960E
180 pages
Print Icon
To Next Page IconTo Next Page
To Next Page IconTo Next Page
To Previous Page IconTo Previous Page
To Previous Page IconTo Previous Page
Loading...
91-EN
01GB06INE-W960E.fm
ALPINE INE-W960A/INE-W960E INE-W960E_OM (EN)
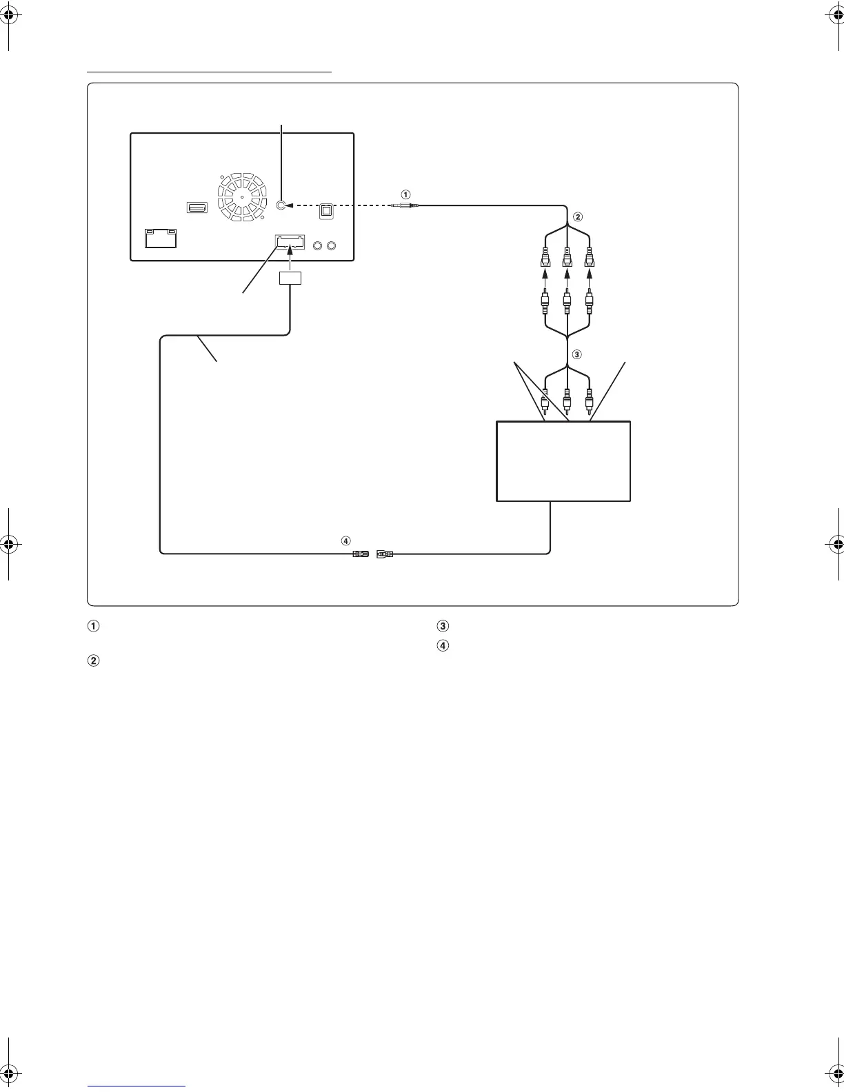
Connection of a Mobile Digital TV Receiver
AV/RCA interface cable (4-pole mini AV plug to 3-
RCA) (sold separately)
Video/Audio Input Connectors
YELLOW is for input video, RED is right and WHITE is left
input the audio.
RCA Extension Cable (Sold Separately)
Remote Control Output Lead (Brown)
Connect this lead to the remote control input lead. This lead
outputs the controlling signals from the remote control.
To connect an external input device to the iPod VIDEO connector, set “AUX In” to “AUX.” Refer to “Setting the AUX Mode” (page 40).
You can change the name of an external device. Refer to “Setting the Primary AUX Name (AUX Setup)” (page 40).
You can connect one more external input device only when the “Primary Name” is set to “DVB-T.Refer to “Setting the Primary AUX Name (AUX
Setup)” (page 40).
CAMERA/AUX/PRE OUT Connector
CAMERA/AUX/PRE OUT cable
To Audio Output terminal To Video Output terminal
Mobile Digital TV Receiver
(Sold separately)
REMOTE IN
(White/Brown)
REMOTE OUT
(Brown)
iPod VIDEO input connector
01GB00INE-W960E.book Page 91 Wednesday, November 19, 2014 5:31 PM

Table of Contents

Related product manuals