EasyManua.ls Logo

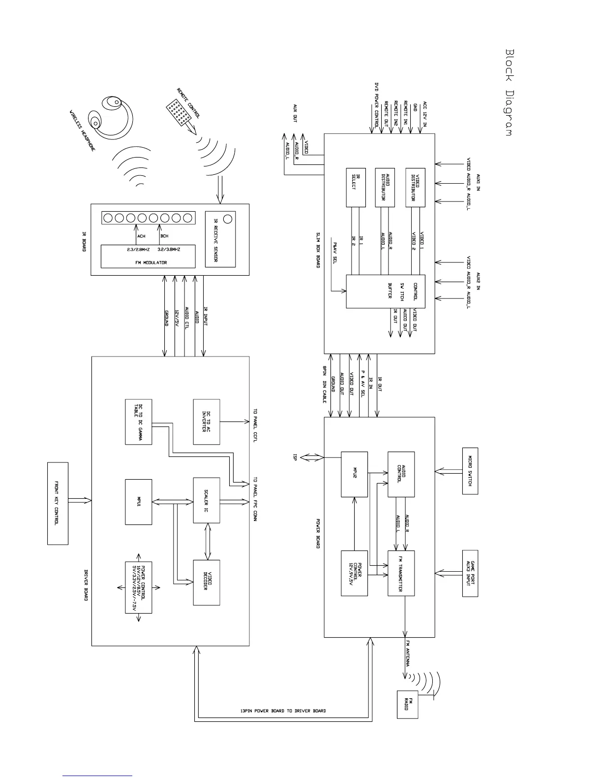
Alpine PKG-1000 - Block Diagram

Alpine PKG-1000
61 pages
Print Icon
To Next Page IconTo Next Page
To Next Page IconTo Next Page
To Previous Page IconTo Previous Page
To Previous Page IconTo Previous Page
Loading...

Related product manuals