EasyManua.ls Logo

Alpine UTE-204DAB - Wiring Diagram for UTE-202 DAB

Alpine UTE-204DAB
44 pages
Print Icon
To Next Page IconTo Next Page
To Next Page IconTo Next Page
To Previous Page IconTo Previous Page
To Previous Page IconTo Previous Page
Loading...
37-EN
EN
FR
ES
DE
IT
SE
NL
RU
PL
ALPINE CDE-205DAB 68-40368Z04-B (EN) 128x182
tion lead
tery
s
n
s. Secure
talling the
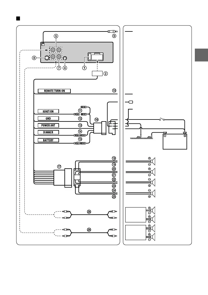
UTE-202DAB
(Blue/White)
To amplifier
To power antenna
To the instrument cluster illumination lead
Ignition Key
Battery
(Red)
(Black)
(Blue)
(Orange)
(Yellow)
(Green)
(Green/Black)
(White)
(White/Black)
(Grey/Black)
(Grey)
(Violet/Black)
(Violet)
Speakers
Rear Left
Front Left
Front Right
Rear Right
Subwoofers
Front Speakers
Amplifier
Amplifier
To DAB Antenna

Related product manuals