EasyManua.ls Logo

Alpine UTE-204DAB - Wiring Diagram for CDE-205 DAB;UTE-204 DAB

Alpine UTE-204DAB
44 pages
Print Icon
To Next Page IconTo Next Page
To Next Page IconTo Next Page
To Previous Page IconTo Previous Page
To Previous Page IconTo Previous Page
Loading...
36-EN
ALPINE CDE-205DAB 68-40368Z04-B (EN) 128x182
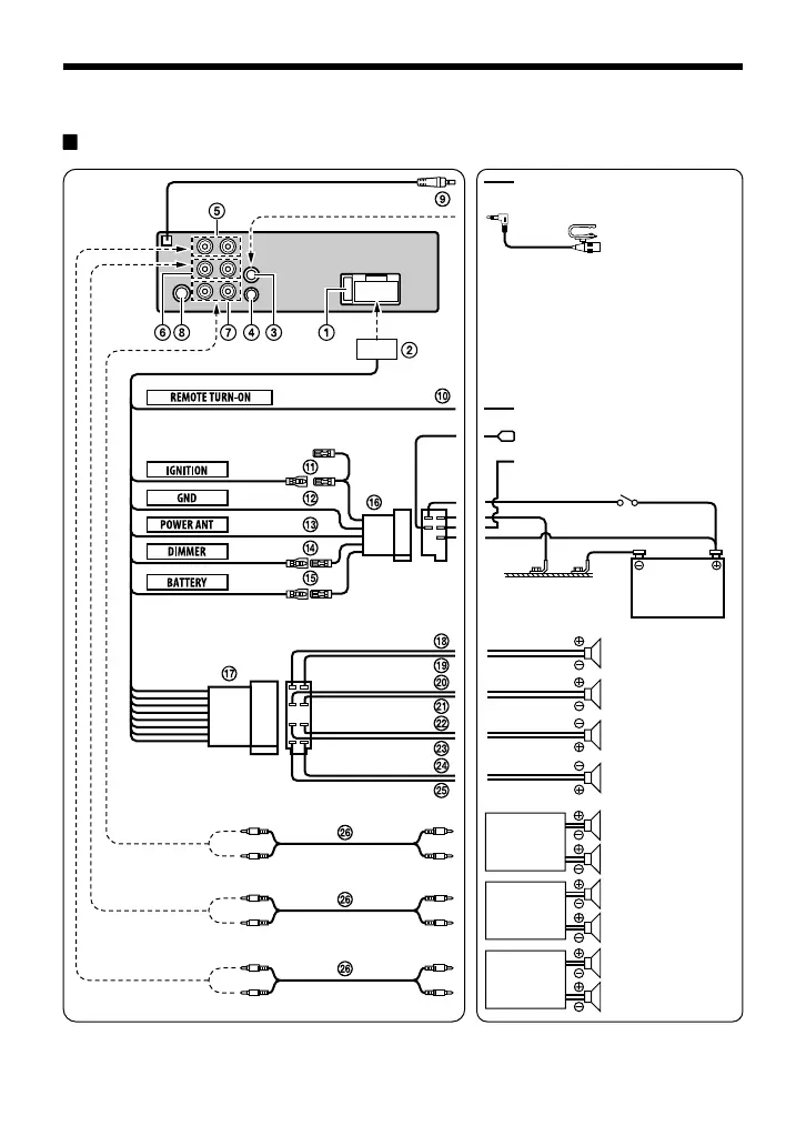
Connection
CDE-205DAB/ UTE-204DAB
(Blue/White)
To amplifier
To power antenna
To the instrument cluster illumination lead
Ignition Key
Battery
(Red)
(Black)
(Blue)
(Orange)
(Yellow)
(Green)
(Green/Black)
(White)
(White/Black)
(Grey/Black)
(Grey)
(Violet/Black)
(Violet)
Speakers
Rear Left
Front Left
Front Right
Rear Right
Microphone*
1
To DAB Antenna
Subwoofers
Front Speakers
Amplifier
Amplifier
Amplifier Rear Speakers
*1 Whether in use or not, route the microphone input cord such that it does not interfere with driving operations. Secure
the cord with a clamp, etc., if it is installed around your feet. For details on installing the microphone, see “Installing the
microphone (CDE-205DAB/ UTE-204DAB only)” (page39).
UTE-20

Related product manuals