EasyManua.ls Logo

Alpine X008EU - Page 105

Alpine X008EU
192 pages
Print Icon
To Next Page IconTo Next Page
To Next Page IconTo Next Page
To Previous Page IconTo Previous Page
To Previous Page IconTo Previous Page
Loading...
105-EN
01GB07INE-W957A.fm
ALPINE INE-W957A 68-24567Z47-A (EN)
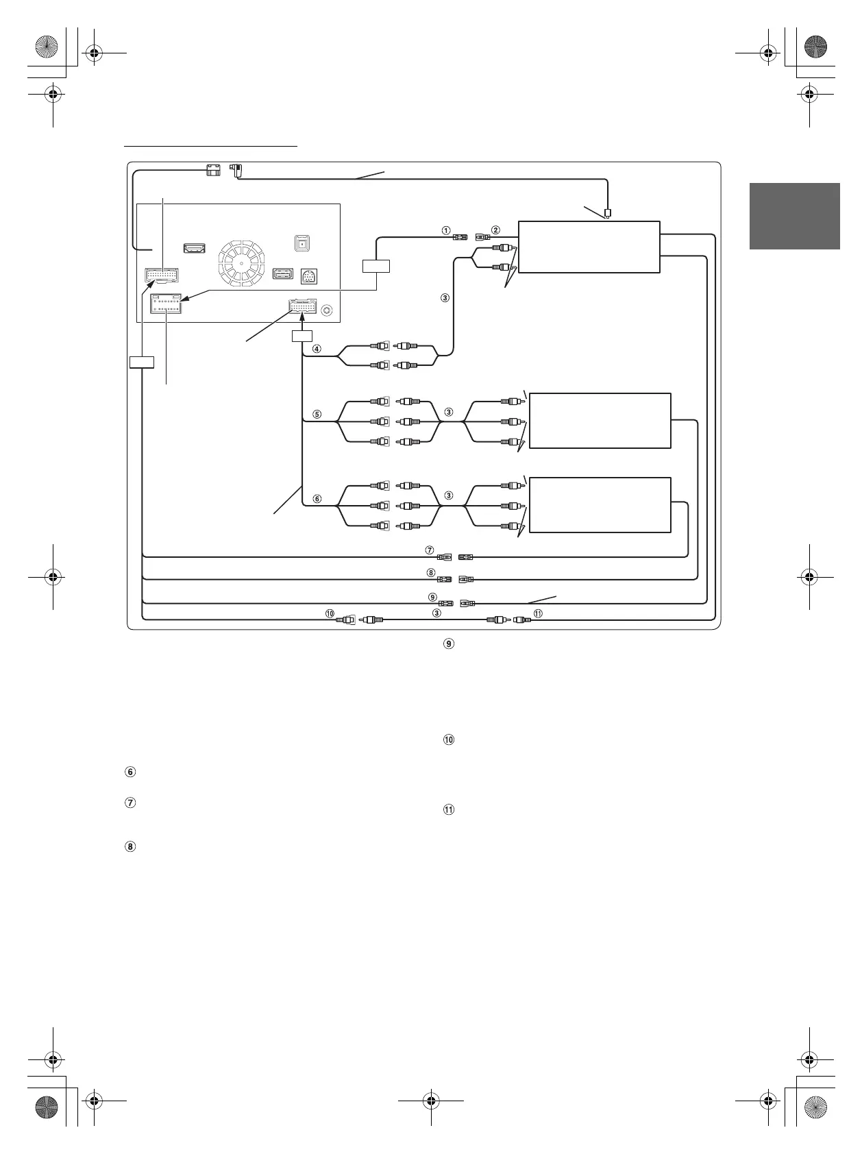
Connection of an External device
1 Remote Turn-On Lead (Blue/White)
Connect this lead to the remote turn-on lead of your
amplifier or signal processor.
2 Remote on Lead
3 RCA Extension Cable (sold separately)
4 Front Output RCA Connectors
RED is right and WHITE is left.
5 Video/Audio Input Connectors (AUX INPUT)
Video/Audio Output Connectors (AUX OUTPUT)
Used when connecting an optional monitor, etc.
Remote Control Input Lead (Brown)
Connect this lead to the remote control output lead. This
lead inputs the controlling signals from the remote control.
Remote Control Output Lead (Brown)
Connect this lead to the remote control input lead. This lead
outputs the controlling signals from the remote control.
MIX Control Lead (Green/White)
Use when an optional External Audio Processor with guide
control input terminal is connected.
When this lead is connected to PXA-H800, make sure to
turn the ignition key off (ACC OFF) and on (ACC ON)
again or turn the unit power off and on again, after setting
“Navi Mix” from OFF to ON on PXA-H800.
Beep/NAVI Guide Connector
Output the audio signal of navigation interruption.
When connecting an Audio processor, connect this lead to
the Guide Input terminal with an optional RCA Extension
cable.
Navigation audio input connector (RCA input) (NAVI)
Used to input the audio output signals of a navigation
system.
*
1
When a fiber optic compatible external audio processor (PXA-H800, etc.) is connected, the External AP and Optical should be set to On. Refer to
“Setting the External Audio Processor On/Off” (page 45) and “Setting the Digital Output” (page 45).
*
2
When a fiber optic compatible external audio processor (PXA-H800, etc.) is connected, the power supply of the built-in amplifier is stopped and an
external amplifier should be used to drive speakers. For details, refer to the owner’s manual of the compatible external audio processor.
You can change the name of an external device. Refer to “Setting the AUX Mode” (page 54).
CAMERA/W.REMOTE Connector
Audio Processor (Fiber optic
digital compatible) (PXA-H800,
etc.) (sold separately)*
1/
*
2
AUX/PRE OUT Connector
(Red)
(White)
(White)
(Yellow)
(Red)
(White)
To Video Output terminal
To Audio Output terminal
DVD Changer (sold separately)
To Video Input terminal
To Audio Input terminal
Rear monitor (sold separately)
REMOTE OUT
(Brown)
REMOTE IN
(White/Brown)
REMOTE IN
(Brown)
REMOTE OUT
(White/Brown)
Optical Digital Cable (KWE-610A) (Sold separately)
To Fiber optic digital Input
terminal (for head unit)
To Audio Input terminal
(Yellow)
(Red)
Guide Control
BEEP/NAVIRG
MIX CONT
Power Supply Connector
AUX/PRE OUT cable
01GB00INE-W957A.book Page 105 Monday, April 21, 2014 7:49 PM

Table of Contents

Related product manuals