EasyManua.ls Logo

Alpine X009-FD2 - Page 16

Alpine X009-FD2
250 pages
Print Icon
To Next Page IconTo Next Page
To Next Page IconTo Next Page
To Previous Page IconTo Previous Page
To Previous Page IconTo Previous Page
Loading...
Connections
Connections
1/2
~
'--1'-
~
..........
~I
""I
I
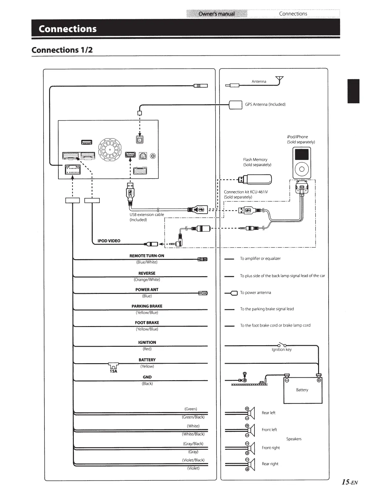
IPODVIDEO
15A
Connections
~-------------:-~~0
GPS
Antenna
(Included)
0
I
I
·~
E3
I
Flash
Memory
(Sold
separately)
:-----
-G(]~=-J
Connection
kit
KCU-461
iV
iPod/iPhone
(Sold
separately)
m
r-------,
i
i
(Sold
separately)
_j
I
~-------------------
1•~
=ri~----~
nj----~
L
~=
USB
extension
cable
(Included)
r--------------
_jj
___________________________
_
JJ~-
L
_____________
REMOTE
TURN-ON
~
(Blue/White)
-
To
amplifier
or
equalizer
REVERSE
(Orange/White)
To
plus
side
of
the
back
lamp
signal
lead
of
the
car
POWER
ANT
-=
(Blue)
,___
--Q
To
power
antenna
PARKING
BRAKE
(Yellow/Blue)
To
the parking
brake
signal
lead
FOOT
BRAKE
(Yellow/Blue)
To
the foot
brake
cord
or
brake
lamp
cord
IGNITION
(Red)
Ignition
key
BATTERY
(Yellow)
GND
(Black)
Battery
(Green)
(Green/Black)
@~
====:
Rear
left
e
(White)
(White/Black)
@~
====:
Front
left
e
Speakers
(Gray/Black)
(Gray)
e~
====: ·
Front
right
@
(Violet/Black)
(Violet)
e~
====:
Rear
right
@
I
15-EN

Table of Contents

Related product manuals