EasyManua.ls Logo

Alpine X209D - Sound Setup

Alpine X209D
252 pages
Print Icon
To Next Page IconTo Next Page
To Next Page IconTo Next Page
To Previous Page IconTo Previous Page
To Previous Page IconTo Previous Page
Loading...
5-EN
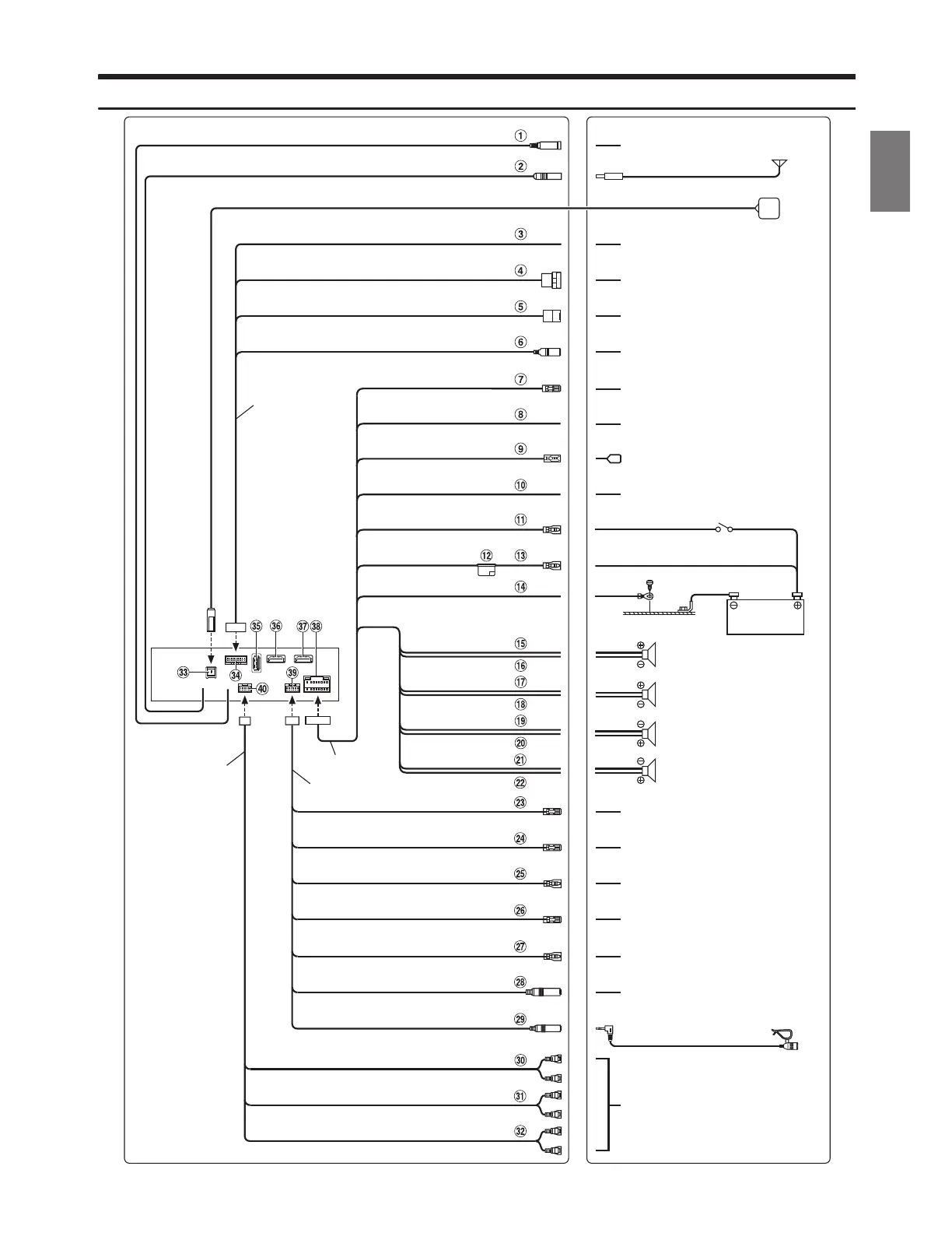
Connections
Power cable
W.REMOTE cable
DVD REMOTE
(Brown)
MON REMOTE
(Brown)
REMOTE IN
(Brown/White)
REMOTE OUT
(Brown)
STEERING REMOTE
SUBW
MIC IN
FRONT OUT
REAR OUT
To remote control input lead of
DVE-5300
To remote control input lead of Rear
Monitor
To remote control output lead
To remote control input lead
To steering remote control interface
box
Microphone (Included)
To input terminal of amplifier when
adding an external amplifier
PRE OUT cable
Interface cable
DVD STATUS IN
(Red/White)
To remote control output lead of
DVE-5300
SPEED SENSOR
To SiriusXM Tuner
(Green/White)
CAMERA
IDATALINK I/F
AUX INPUT
REMO
(Blue/White)
REVERSE
(Orange/White)
P. AN T
(Blue)
PARKING BRAKE
(Yellow/Blue)
(Green)
(Green/Black)
(White)
(White/Black)
(Gray/Black)
(Gray)
(Violet/Black)
(Violet)
ACC
(Red)
BATT
(Yellow)
GND
(Black)
Vehicle Antenna
GPS Antenna (Included)
To the vehicle speed pulse line
To Front, Rear or Side camera
To iDataLink module
To AUX output device or iDataLink
module
To amplifier or equalizer
To plus side of the back lamp signal
lead of the car
To power antenna
To the parking brake signal lead
Rear Left
Front Left
Front Right
Rear Right
Speakers
Battery
Ignition key

Table of Contents

Other manuals for Alpine X209D

Related product manuals