EasyManua.ls Logo

Alpine X800D-ML - Page 61

Alpine X800D-ML
66 pages
Print Icon
To Next Page IconTo Next Page
To Next Page IconTo Next Page
To Previous Page IconTo Previous Page
To Previous Page IconTo Previous Page
Loading...
53
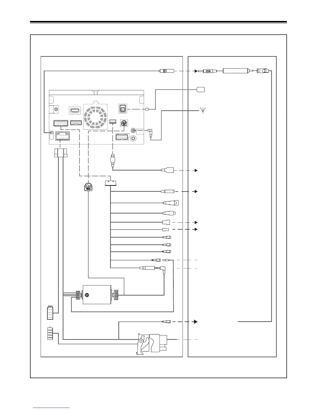
IPOD VIDEO
BEEP/NAV I RG *
CAMERA 2
CAMERA 1
REMOTE IN *
REMOTE OUT *
MIX CONT *
STEERING REMOTE
SPEED SENSOR
GPS ANTENNA
BLUE Power Antenna
Interface Box
RADIO ANTENNA
DAB ANTENNA
To iPod Video Output terminal
ISO
LOUD-
SPEAKERS
QUADLOCK
DISPLAY
CONNECTOR
* not used
To rear camera
To steering remote control interface box
To the vehicle speed pulse line
(Green/White)
(Brown)
(Brown)
(Green/White)
To USB Connection
USB extension cable
1
2
3
4
5
6
7
8
9
0
!
@
#
$
%
^
&
*
(
)
=
q
w
USB
OEM SUB.D
RADIO
ANT.
POWER
CAMERA/ W.REMOTE
HDMI IN
M5XL8MM MAX
DAB ANT.
MIC
AUX&PRE OUT
GPS
OPTICAL
EXT.KEY
CAN BUS *
-

Related product manuals