EasyManua.ls Logo

Alpine X800D-V - Page 61

Alpine X800D-V
108 pages
Print Icon
To Next Page IconTo Next Page
To Next Page IconTo Next Page
To Previous Page IconTo Previous Page
To Previous Page IconTo Previous Page
Loading...
53
USB
GPS
DAB Antenna
Radio
Antenna
Steering Remote
Display
Camera 1
Speed Sensor
Blue Power Antenna
Power
Harness
2
3
6
7
8
9
0
Radio Dock
1
4
Interface
Box
5
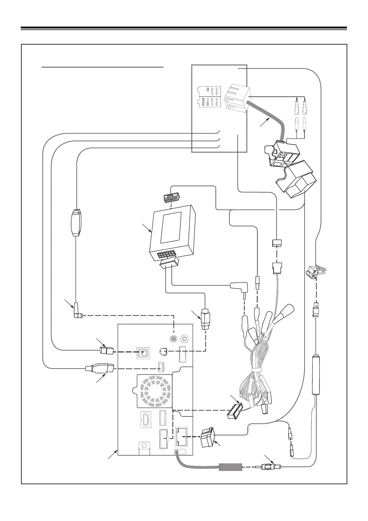
Connect all plugs to X800D-V as shown
#
5
%$
@
9
!
^
0
@
CAN LOW
!
CAN HIGH

Related product manuals