EasyManua.ls Logo

Alpine X800D-V - Page 87

Alpine X800D-V
108 pages
Print Icon
To Next Page IconTo Next Page
To Next Page IconTo Next Page
To Previous Page IconTo Previous Page
To Previous Page IconTo Previous Page
Loading...
79
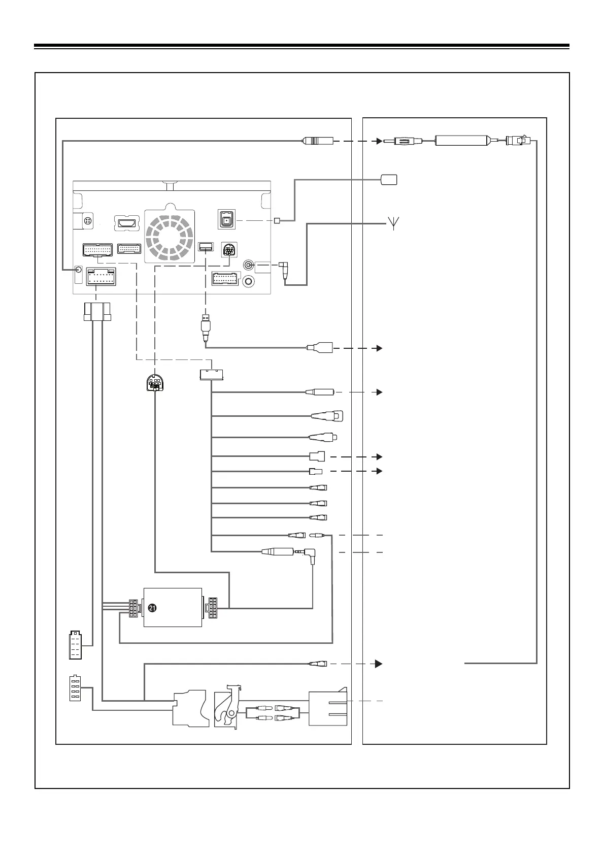
USB
OEM SUB.D
RADIO
ANT.
POWER
CAMERA/ W.REMOTE
HDMI IN
M5XL8MM MAX
DAB ANT.
MIC
AUX&PRE OUT
GPS
OPTICAL
EXT.KEY
-
CAN LOW/CAN HIGH
QUADLOCK
Interface Box
IPOD VIDEO
BEEP/NAV I RG *
CAMERA 2
CAMERA 1
REMOTE IN *
REMOTE OUT *
MIX CONT *
STEERING REMOTE
SPEED SENSOR
GPS ANTENNA
BLUE Power Antenna
RADIO ANTENNA
DAB ANTENNA
To iPod Video Output terminal
ISO
LOUD-
SPEAKERS
ISO CONNECTOR
DISPLAY
CONNECTOR
To Rear View Camera
To Steering Wheel Remote Control
Interface Box
To Vehicle Speed Pulse Line
(Green/White)
(Brown)
(Brown)
(Green/White)
To USB Connection
USB Extension Cable
CAN BUS *
1
2
3
4
5
6
7
8
9
0
!
@
#
$
%
^
&
*
(
)
=
e
q
r
w

Related product manuals