EasyManua.ls Logo

Ameristar M4TCS15-A - Page 30

Default Icon
40 pages
Print Icon
To Next Page IconTo Next Page
To Next Page IconTo Next Page
To Previous Page IconTo Previous Page
To Previous Page IconTo Previous Page
Loading...
These diagrams are subject to change without notice, please refer to the diagram supplied with the unit.
N(1)
N(1)
3
NOTE: Motor ground only
applies to metal clad
motors.
NOTE: Motor ground only
applies to metal clad
motors.
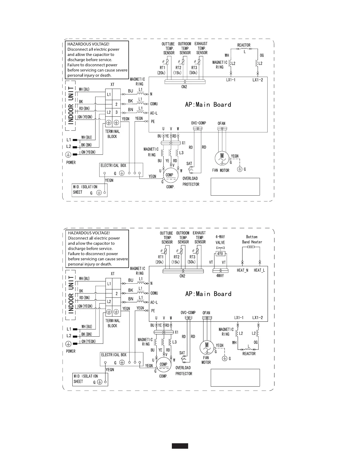
Outdoor Cooling Only Unit 9K-12K
Outdoor Heat Pump Only Unit 9K-12K
NOTE: The wiring diagrams in this guide are included as a reference. The manufacturer
has a policy of continuous product and product data improvement and reserves the
right to change design and specifications without notice. Always check the unit
nameplate and wiring diagram for the actual unit requirements.
30
15 SEER Mini-Split

Related product manuals