EasyManua.ls Logo

AMERITRON SDC-103 - Page 10

AMERITRON SDC-103
13 pages
Print Icon
To Next Page IconTo Next Page
To Next Page IconTo Next Page
To Previous Page IconTo Previous Page
To Previous Page IconTo Previous Page
Loading...
SDC-103 Automatic Screwdriver Controller (ICOM) Instruction Manual
2006 Ameritron 9
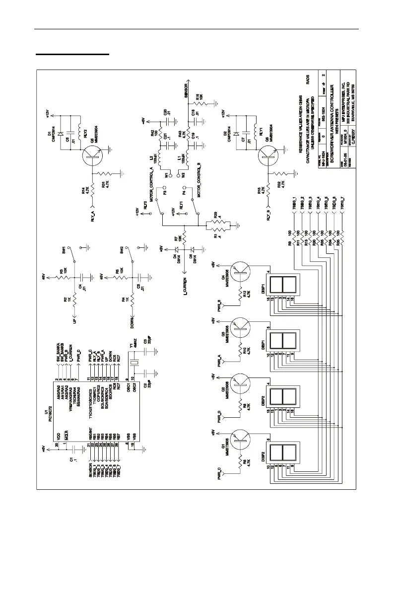
SCHEMATIC