EasyManua.ls Logo

Ammann ARX 45 K - Page 141

Ammann ARX 45 K
152 pages
Print Icon
To Next Page IconTo Next Page
To Next Page IconTo Next Page
To Previous Page IconTo Previous Page
To Previous Page IconTo Previous Page
Loading...
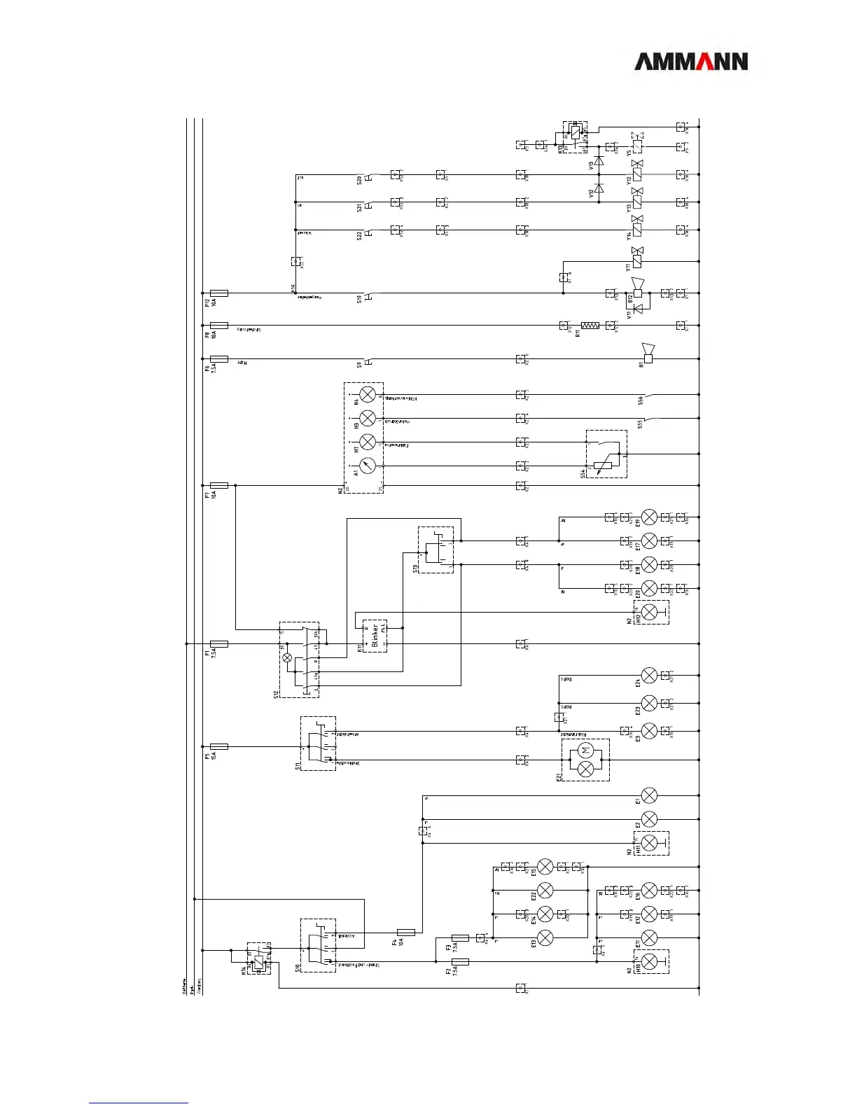
Appendix 141
1208531 | 03.07.2012
Fig. 14-2 Wiring diagram no. 1202835-2

Table of Contents

Related product manuals