EasyManua.ls Logo

Ammann ASC 130 - Page 86

Ammann ASC 130
95 pages
Print Icon
To Next Page IconTo Next Page
To Next Page IconTo Next Page
To Previous Page IconTo Previous Page
To Previous Page IconTo Previous Page
Loading...
236 ASC 70 / 90 / 100 / 110 / 130 / 150 / 200 / 250
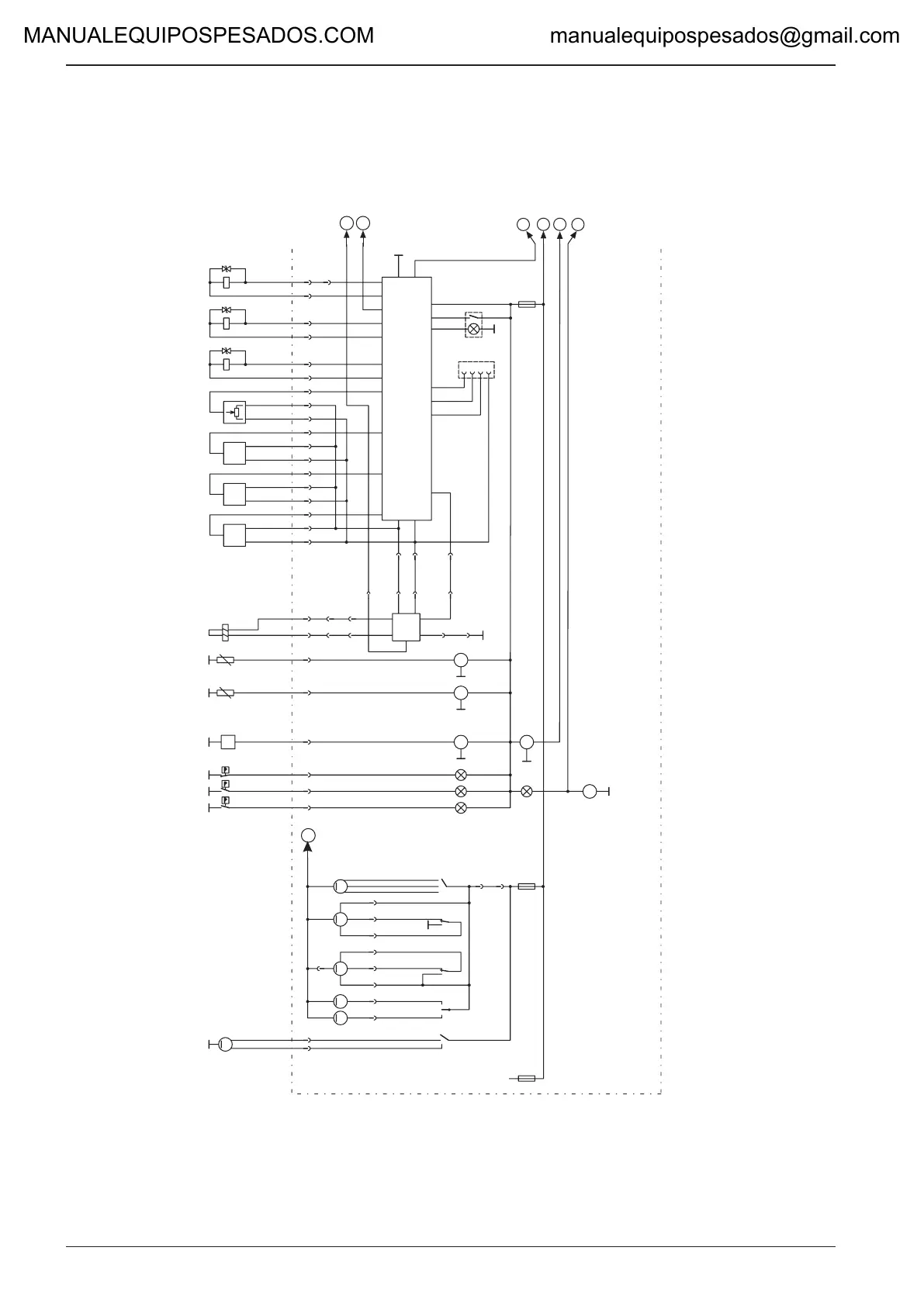
23. Electrical schemata
A3
Q
∞C∞C
M
M8
F6
S33
M3
S29
S30
S31
S32
F5
M5
M6
M7
M M M M M
M4
H10
H9
H12
H11 P5
Y8
Y11
Y12
A5
S23
S24
S25
S22
F4
X25
A4
Y13
B1
B2
B3
S26
S27
S28
P4
P2
P1
P3
3
-
D
C
B
A
E
F
Z
X15:4
X21:11
20A
X6:11
X6:10
1
5 3
B3
B4
B2
X15:1
A1
X9:6X10:6
X15:2
X16:2
X16:4
X16:1
X17:1
X17:2
X16:3
1
1
1
7
7
7
5
5
3
15A
3
3
4
4
1
1
X5:4
X20:1
X20:2
X20:3
X20:4
X20:5
X21:1
X21:4
X21:7
X21:2
X21:5
X21:8
X21:3
X21:6
X21:9
X21:10
X24:1
X24:2
X24:3
X4:6 X7:2
6
8
5
26
23
27
25
32
C
1
1
2
5
9
3
3
14
4
3
B
A
16
18
19
31
13
21
20
40
2
10A
28,42
1 5
109
-24V
+24V
+5V
-5V
15,29
h
n
X13:8
X13:9 X13:11 X11:11
X13:10
X22:1
X22:2
X22:3
X11:8
X11:9
X5:2
X6:2
X6:3
X6:5
G
X6:7
X6:8
X6:9
+
+
S
1
4
S
S
+
+
-
-
-
X5:3
7
6
8
4
B
C
A
D
2
5
3
282ES02C
MANUALEQUIPOSPESADOS.COM manualequipospesados@gmail.com

Other manuals for Ammann ASC 130

Related product manuals