EasyManua.ls Logo

Amp Supply LA-1000A - Schematic Diagram; Circuit Diagram

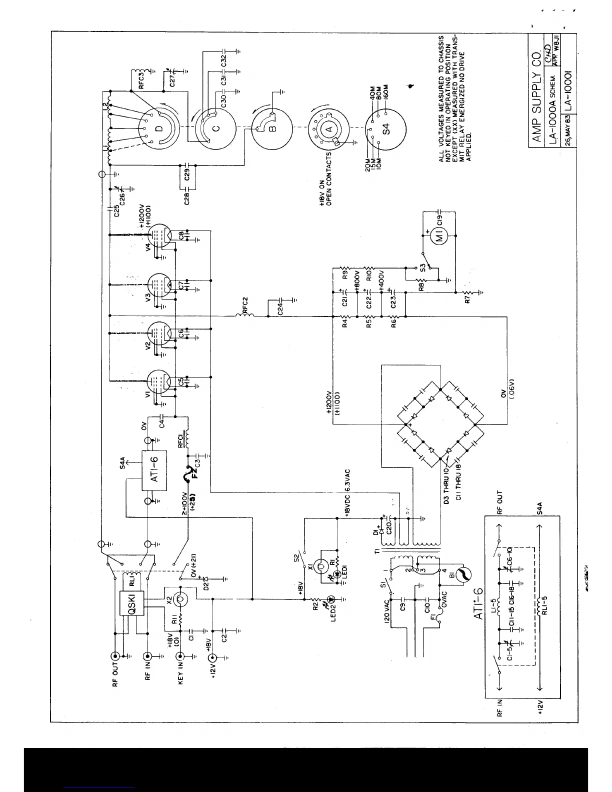
Amp Supply LA-1000A
13 pages
Print Icon
To Next Page IconTo Next Page
To Next Page IconTo Next Page
To Previous Page IconTo Previous Page
To Previous Page IconTo Previous Page
Loading...

Related product manuals