EasyManua.ls Logo

AMSTRAD GT65 - CTM644 Circuit Diagram

Default Icon
31 pages
Print Icon
To Next Page IconTo Next Page
To Next Page IconTo Next Page
To Previous Page IconTo Previous Page
To Previous Page IconTo Previous Page
Loading...
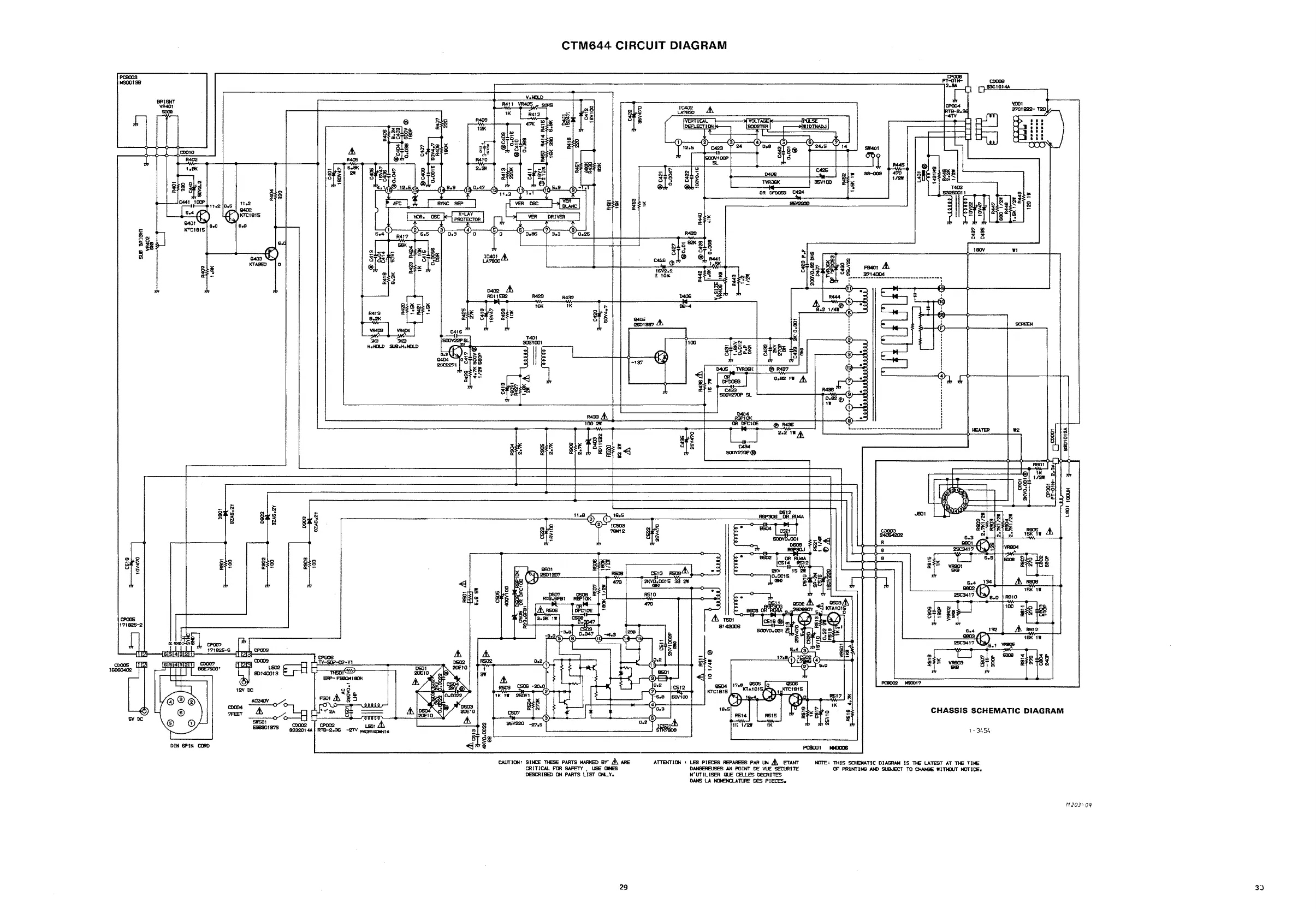
CTM644
CIRCUIT
DIAGRAM
w,
,aov
6.4
134
1·3454
~..f['~
}
16K
1.
2SC3417
"""'B.,
......
~K)
15K
"
2SC3417
~S.D
ReiD
l-J
5.S
VRBO'
....
CHASSIS
SCHEMATIC
DIAGRAM
~i~
~st-J
'00
i~
8.4
''l2
&
RB'2
JIlC),
L......j
~
,/21
8
~
a
S
D408
&1
!
L...-.
TVll-WOBK
-'
_'00
II
llj
OR
DfOO58
C424
R499
T4O'
.-
005Y::;
00'
jll
~~~
,~f~Li
D402Lh
ROl1EB2
a"""
a4a2
'l>(
••
~l~
!
~
~~.
~i~
~ ~
ll-
S
~
C4'S
0.0
Q404
=.
V.1IlLD
R411
VR405
2OI<B
~!!
,.
R412
~
~:m
a409
~~
~i:;
41K
i~~
'liK
~!~;;~
"''''
,--
·f
i i
i~_
Li
~I~
~
~~
~
@
t.l
0
ili
i!;a::
-
••
@
~
-
0405
@ 0
lD
~
~t;
B.8I<
~
ir~fti
~!~
~~~
~
h~
2.liK
21
:
~
~
«
0
,
11
e,
5.9
9-T;!
i
~
,j
.,
@'2.5,
1
8.9
,
0.47
,~
"6~':
~
SYN:
SEP
..
iii
;E
-
1fJIl.
OSC
]<-j~~1
11;
VER
llIlIVl!R
f
f
1.
l--
-
3 4
5
.4-
7
-}0.28
B.4
R"'?
B.S
0.3
a o
O.as
9.9
a402
..
81<
~F1i
~:
~~
11.2
005
1102
L...-._.o-::1
SS"':"'~H:
IDID
) lib
~8'5
Q40'
\!:ll
B.O \!:;l B.O
K""C1815
COOIO
iii
!i
!i
,;,
~
~
~
"
~
~
0
'"
-
-
-
..
I
~
~
~ ~
i §
~
~
III
lD
,;,
PCllOO3
MSOOt9B
CAUTION'
sua;
ll£5E
PARTS
MARKED
ar
&.
ARE
O<ITICAl
F'OR
SAFETY
,
USE
CJIE5
DESCRlaet>
ON
PARTS
LIST
lX,.Y.
ATTENTION
LES
PIElES
REPAREES
PAR
Ul.:t
ETANT
0AN3EREUSES
AN
POINT
IlE
Y\£
SEl:lJlITE
N'UTIL1SER
QlE
C£U..ES
~ITES
DANS
LA
N.:JrEN:l.AnH:
DES
PIECES
..
NJTE' THI5
SCl£MATIC
DIAGRAll
IS
TI£
LATEST
AT
1>£
TIME
CF
PRINTIN6
.NI)
Sl..S...ECT
TO
0fAN3E WlllDJT
NJTlCE.
29
3:>

Related product manuals