EasyManua.ls Logo

Ansul WOM-4 - Page 21

Ansul WOM-4
24 pages
Print Icon
To Next Page IconTo Next Page
To Next Page IconTo Next Page
To Previous Page IconTo Previous Page
To Previous Page IconTo Previous Page
Loading...
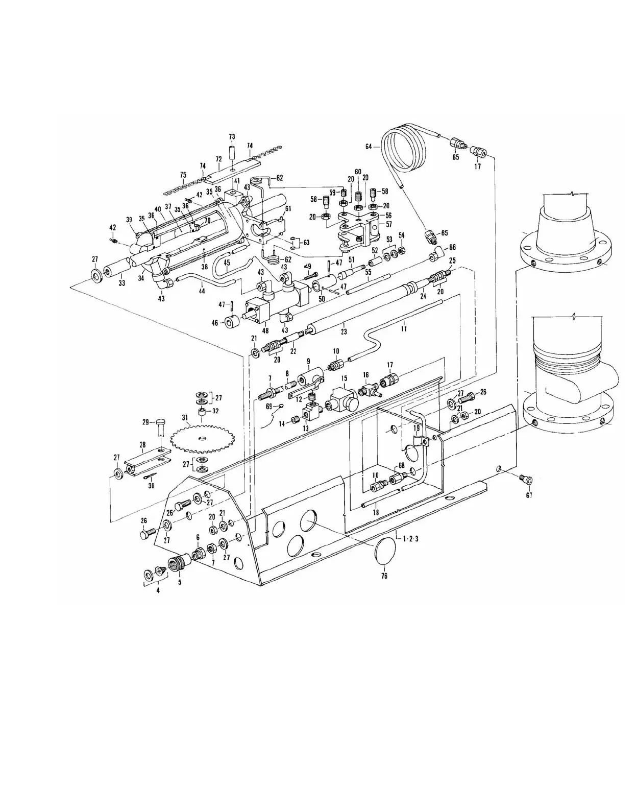
WOM-3/WOM-4 MONITOR OSCILLATING MECHANISM
* This parts list covers the oscillating mechanism portion of the water oscillating monitor. See Form
No. F-86182 for WOM-3 bent tube assembly parts or Form No. 86183 for WOM-4 bent tube assem-
bly parts.
PART NO.
FIGURE WOM-3 WOM-4
NO. DESCRIPTION (3 in.) (4 in.)
Water Oscillating Monitor Shipping 400000 402675
Assembly*
1 Chassis Assembly 400193 400193
2 Top Cover (Not Shown) 400191 402742
3 Front Cover (Not Shown) 400192 402743
4 Screen and Washer 400036 400036
5 Garden Hose Adaptor 400030 400030
6 Bushing 25464 25464
7 Lock Nut 400026 400026
8 Nipple 400151 400151
9 Selector Valve 400165 400165
10 Adaptor 400023 400023
11 Tube (Selector Valve Inlet) 400167 400167
12 Close Nipple 400035 400035
13 Street Tee 400031 400031
14 Plug 400032 400032
15 Strainer 400047 400047
16 Speed Control Valve 400166 400166
17 Adaptor 400034 400034
18 Tube (Speed Control Valve Outlet) 400168 400168
19 Tubing Clip 400173 400173
20 Jam Nut 70148 70148
21 Washer 16618 16618
22 Tube End Stop, Rear 400183 400183
23 Spring Tube Assembly 400133 400133
24 Tube End Stop, Front 400139 400139
25 Rod, Adjustment 400119 400119
26 Hex Bolt 400037 400037
27 Flat Washer 17486 17486
28 Clevis 400638 400638
29 Clevis Pin 400021 400021
30 Cotter Pin 400016 400016
31 Sprocket, Rear 400187 402718
32 Bearing 400052 400052
33 Rod 400113 400113
34 Cap, Back End 400112 400112
35 O-Ring 6821 6821
36 O-Ring 400057 400057
37 Piston 400152 400152
38 Cylinder 400110 400110
39 Acorn Nut 400010 400010
40 Threaded Rod 400197 400197
41 Cap, Valve End 400111 400111
42 Grease Fitting 400060 400060
43 Male Elbow 400033 400033
44 Tube (Valve Back Cap) 400163 400163
45 Tube (Valve End Cap) 400162 400162
46 Stop Valve Spool 400127 400127
47 Dowel 400022 400022
48 Valve 400044 400044
49 Cap Screw 400005 400005
PART NO.
FIGURE WOM-3 WOM-4
NO. DESCRIPTION (3 in.) (4 in.)
50 U-Joint 400143 400143
51 Drag Link Assembly 400159 400159
52 Tube, Spacer 400128 400128
53 Washer 400003 400003
54 Lock Nut 400002 400002
55 Tube (4 Way Valve Inlet) 400164 400164
56 Rocker 400636 400636
57 Pivot 400129 400129
58 Screw, Dog Point 400130 400130
59 Screw, Spring Pivot 400171 400171
60 Screw, Hollow 400131 400131
61 Groove Pin 400018 400018
62 Spring Rocker 400132 400132
63 Retaining Ring 17791 17791
64 Coiled Nylon Tubing 400027 400027
65 Tube Fitting 400028 400028
66 Elbow 400069 400069
67 Shoulder Bolt 400156 400156
68 Shoulder Bolt 400234 400234
69 Lead Wire Seal 197 197
70 Roll Pin 400015 400015
71 Label (Not Shown) 400292 400292
72 Link, Anchor 400637 402738
73 Roll Pin 400017 400017
74 Master Link 400038 402734
75 Chain 400170 402732
76 Hole Plug 400174 400174

Related product manuals