EasyManua.ls Logo

ANT S19 - Page 9

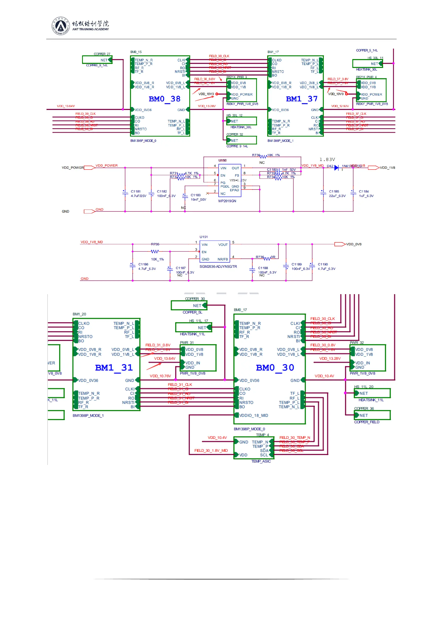
ANT S19
18 pages
Print Icon
To Next Page IconTo Next Page
To Next Page IconTo Next Page
To Previous Page IconTo Previous Page
To Previous Page IconTo Previous Page
Loading...
S19 Maintenance Guide
9