EasyManua.ls Logo

ANTOR 6LD360 - Page 37

ANTOR 6LD360
48 pages
Print Icon
To Next Page IconTo Next Page
To Next Page IconTo Next Page
To Previous Page IconTo Previous Page
To Previous Page IconTo Previous Page
Loading...
35
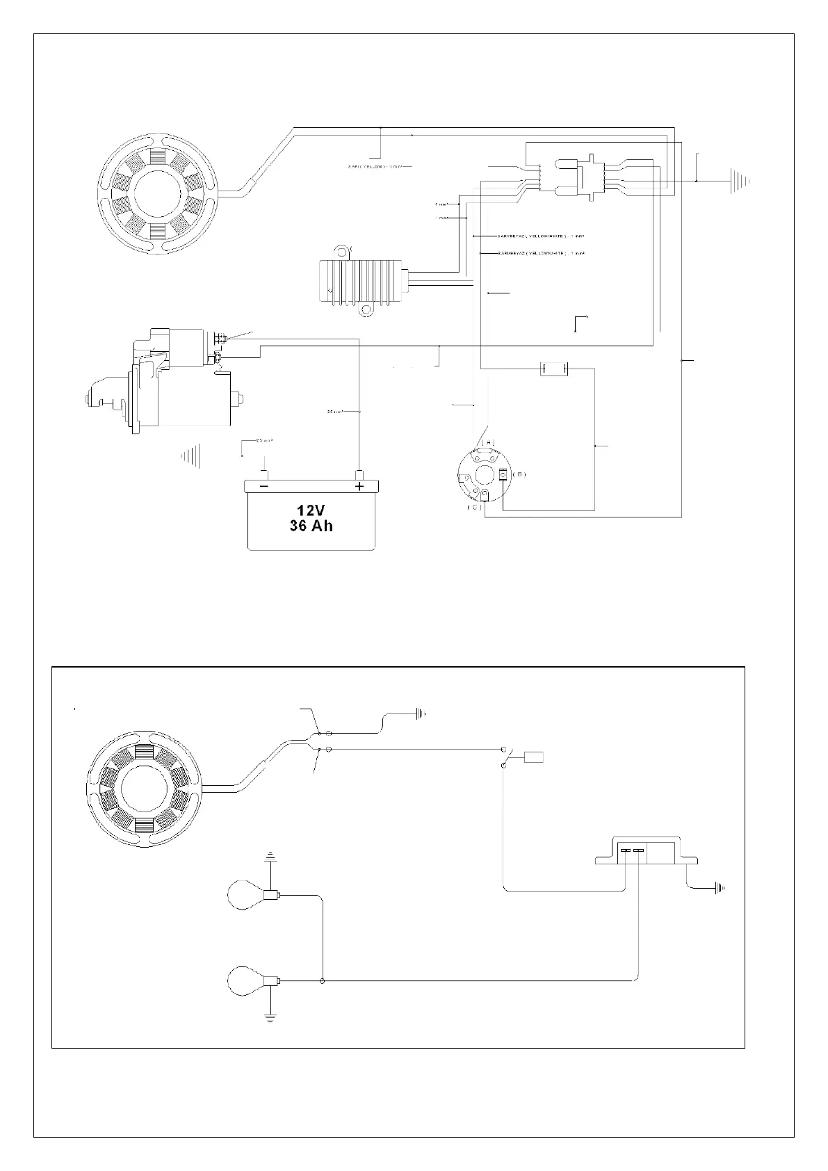
Elektrik devre şeması [Elektrik marşlı tip] (Volan içi alternatör, akü şarjlı voltaj regülatörü) / Electric wiring
diagram [Electric start types] (Flywheel alternator, voltage regulator for battery charging) / Circuit électrique
[Types démarrage électrique] (Alternateur à volant, régulateur de tension pour charger l’accumulateur)
Elektrik devre şeması [Aydınlatmalı tip] (Volan içi alternatör, voltaj regülatörü) / Electric wiring diagram
[Lighting types] (Flywheel alternator, voltage regulator) / Schéma du circuit électrique [Types avec éclairage]
(Alternateur à volant, régulateur de tension)
Akümülatör
motordan ayrı olarak
satılır.
Battery is sold
separately from
engine.
L’accumulateur est
vendu séparément
du moteur.
Alternatör
Flywheel altenator
Alternateur à volant
Voltaj Regülatörü
Voltagegeregulator
Régulateur de tension
Marş motoru
Starting Motor
Démarreur
Şarj Lambası
Ignition lamp
Lampe charge
accumulateur
Mavi / Blue / Bleu
Akü
Battery
Accumulateur
Siyah / Black / Noir
Mavi / Blue / Bleu
Mavi / Blue / Bleu
Mavi / Blue / Bleu
Siyah / Black / Noir
Sarı / Yellow / Jaune
Sarı / Yellow / Jaune
Sarı / Yellow / Jaune
Sarı / Yellow / Jaune
Alternatör
Flywheel altenator
Alternateur à volant
Anahtar
Switch
Commutateur
Voltaj Regülatörü
Voltagegeregulator
Régulateur de tension
Sarı
Yellow
Jaune
Sarı
Yellow
Jaune
Ampul
Bulb
Ampoules pour éclairage
12V 21 W

Related product manuals