EasyManua.ls Logo

AOC L32DK99FU - Page 59

AOC L32DK99FU
129 pages
Print Icon
To Next Page IconTo Next Page
To Next Page IconTo Next Page
To Previous Page IconTo Previous Page
To Previous Page IconTo Previous Page
Loading...
59
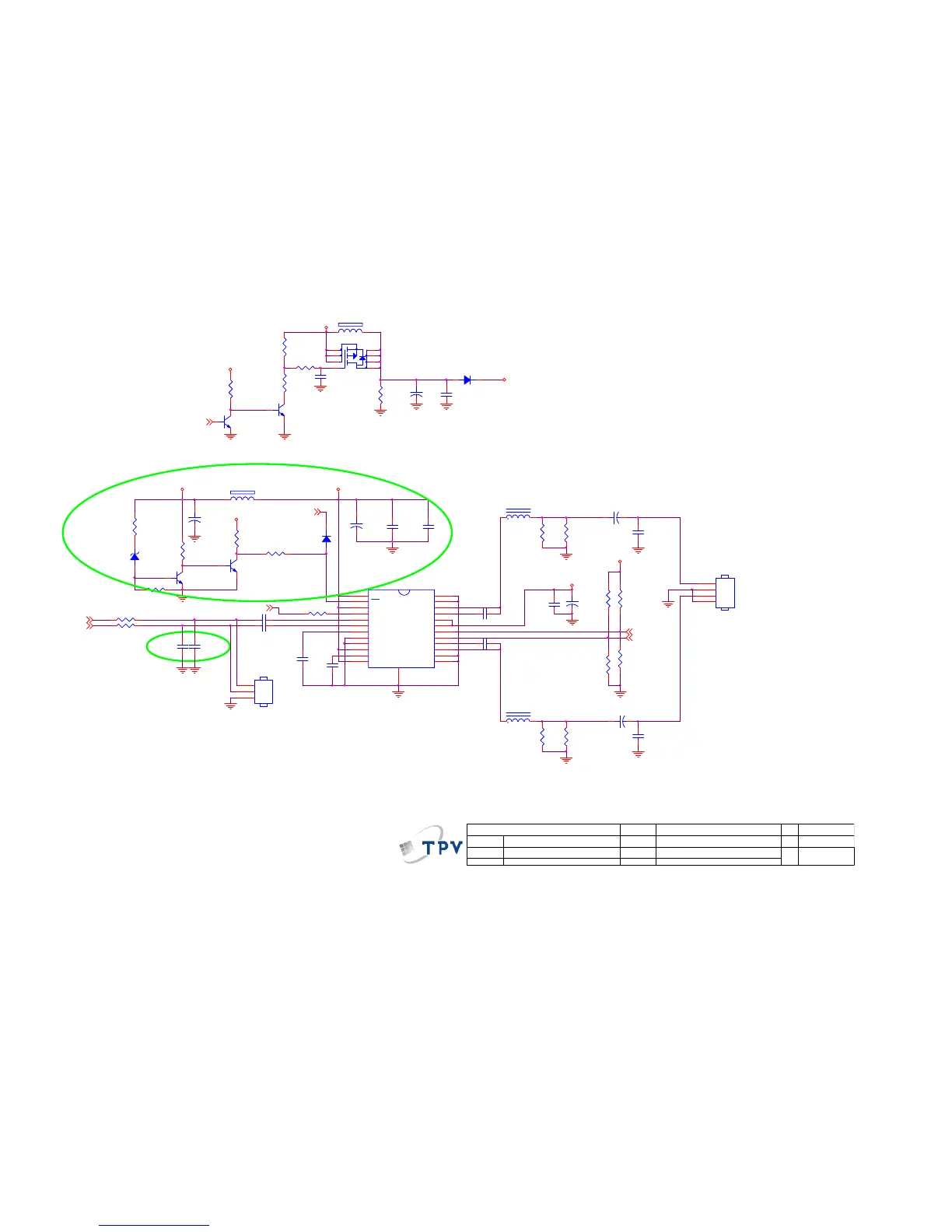
R6304
18K(NC)
R6302 470K(NC)
C6302
100N 50V
+24V
+24V_SW
R6301
56K(NC)
R6303
47K(NC)
AUD_PWR_SW12,13
Q6303
MUN2211TIG(NC)
D6301
S3D
+3V3
+
C6303
10UF/50V
R6305
10KOHM +-5% 1/10W
C6301
470N(NC)
Q6302
MUN2211TIG(NC)
OEM MODEL
Size
Rev
Date
Sheet
of
TPV MODEL
PCB NAME
称爹
T P V ( Top Victory Electronics Co . , Ltd. )
Key Component
B
<Title> B
20 21Friday , January 15, 2010
<
称爹
>
20: AUDIO/AMP
<
絬隔瓜絪腹
>
C6319
470N 50V
C6321
100P 50V
R6314 10R 1/16W 5%
+3V3
R6323
330R 1/10W 5%
+5V_ON
R6312
10R 1/16W 5%
D6203
LS4148
FB6303
120R/6000mA
1 2
R6315
470R 1/10W 5%
AMP_EN13
R6316
47K 1/10W 5%
+24V_SW
ZD6302
BZX84-C20
1 3
CN6302
CONN(NC)
1
2
3
R6324 10R 1/16W 5%
Q6304
BC847C
R6306
2K2 1/4W 5%
R6325
1K8 1/10W 5%
Q6306
BC847C
CN6301
CONN
1
2
3
4
R6307
2K2 1/4W 5%
C6309
470N 50V
C6313 1U 25V
C6306
100P 50V
R6321
2K2 1/4W 5%
AUD_LOUT19
C6305
100N 50V
LED26DM99U/LED32DM99U
+24V_AMP
SUBWOOFER
C6312
220N 25V
+24V_AMP
U6301
TPA3123D2PWPR
PVCCL
1
SD
2
PVCCL
3
LIN
5
RIN
6
MUTE
4
BYPASS
7
AGND
8
AGND
9
PVCCR
10
VCLAMP
11
PVCCR
12
PGNDL
24
PGNDL
23
LOUT
22
BSL
21
AVCC
20
AVCC
19
GAIN0
18
BSR
16
GAIN1
17
ROUT
15
PGNDR
14
PGNDR
13
TH1
25
LOUT+
L6302
35uH
ROUT+
C6316
1U 25V
R631810K(NC)
R6313 10R 1/16W 5%
R631910K(NC)
R6320 0R(NC)
C6317
1U 25V
R6317 0R(NC)
L6301
35uH
AMP_GAIN0 13
+
C6311
10UF/50V(NC)
AMP_GAIN1 13
AMP_MUTE13
R6322
2K2 1/4W 5%
C6315
220N 25V
C6304
100N 50V
AUD_ROUT19
C6314 1U 25V
Q6301
SI4835DDY (NC)
2
3
4 5
7
6
81
+
C6307
470uF 35V
+
C6308
470uF 25V
+
C6318
470uF 25V
C6310
100N 50V
FB6301
120R/6000mA
1 2
+
C6320
470uF 35V

Related product manuals