EasyManua.ls Logo

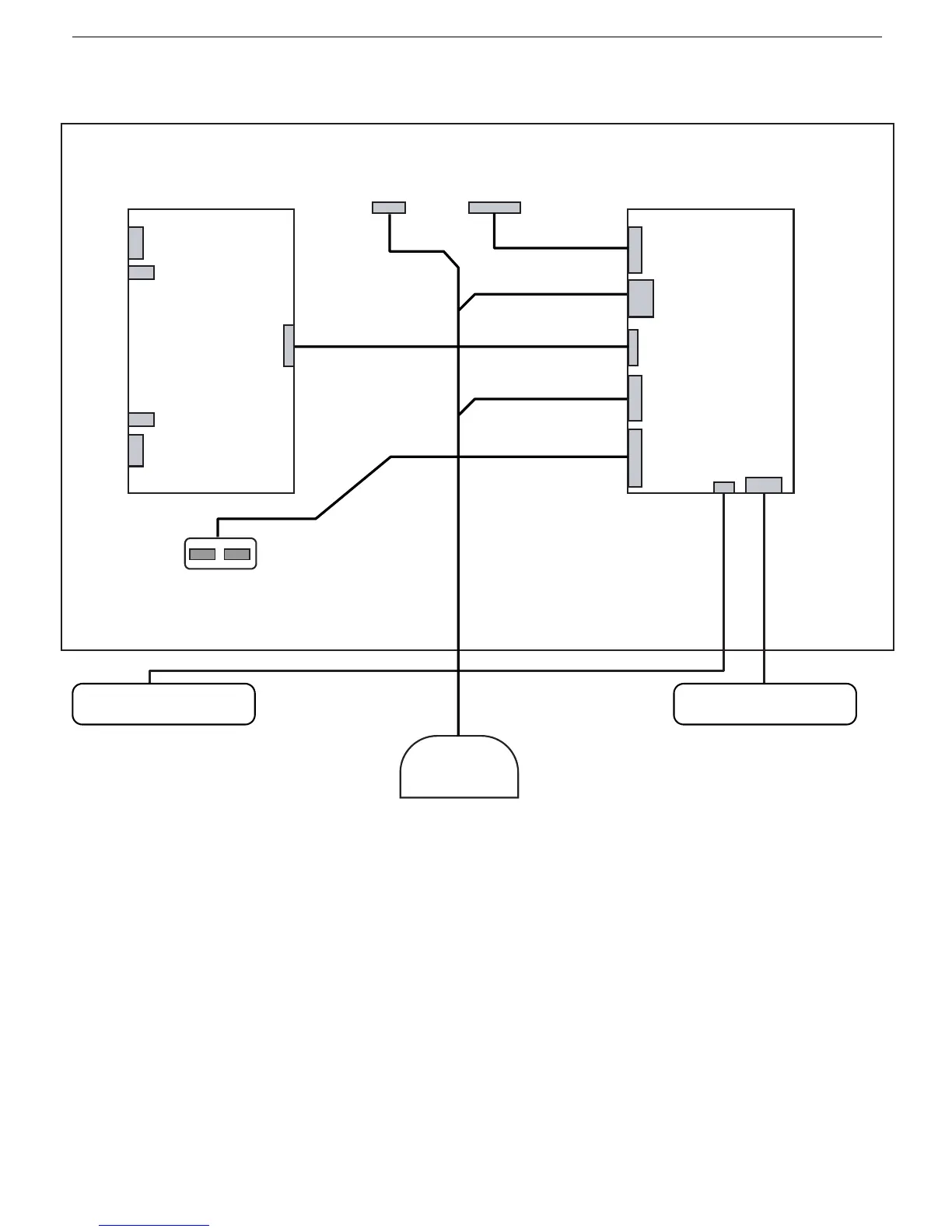
Apple Cinema Display - Block Diagram

Apple Cinema Display
42 pages
Print Icon
To Next Page IconTo Next Page
To Next Page IconTo Next Page
To Previous Page IconTo Previous Page
To Previous Page IconTo Previous Page
Loading...
Apple Cinema Display (20-inch) Views - 1
USB Socket
Panel Signal Input
LCD Display Panel
Power On/Off Board
Inverter
Board
ADC Cable
Launch Board
Backlight Bulb
Connectors
Backlight Bulb
Connectors
Main Board
Block Diagram

Other manuals for Apple Cinema Display

Related product manuals