EasyManua.ls Logo

ARB CKMA12 - Air Compressor Loom - Wiring Diagram; Wiring Diagram Details

ARB CKMA12
5 pages
Print Icon
To Previous Page IconTo Previous Page
To Previous Page IconTo Previous Page
Loading...
ARB AIR LOCKER
Air Operated Locking Differentials
ARB Part # 180409
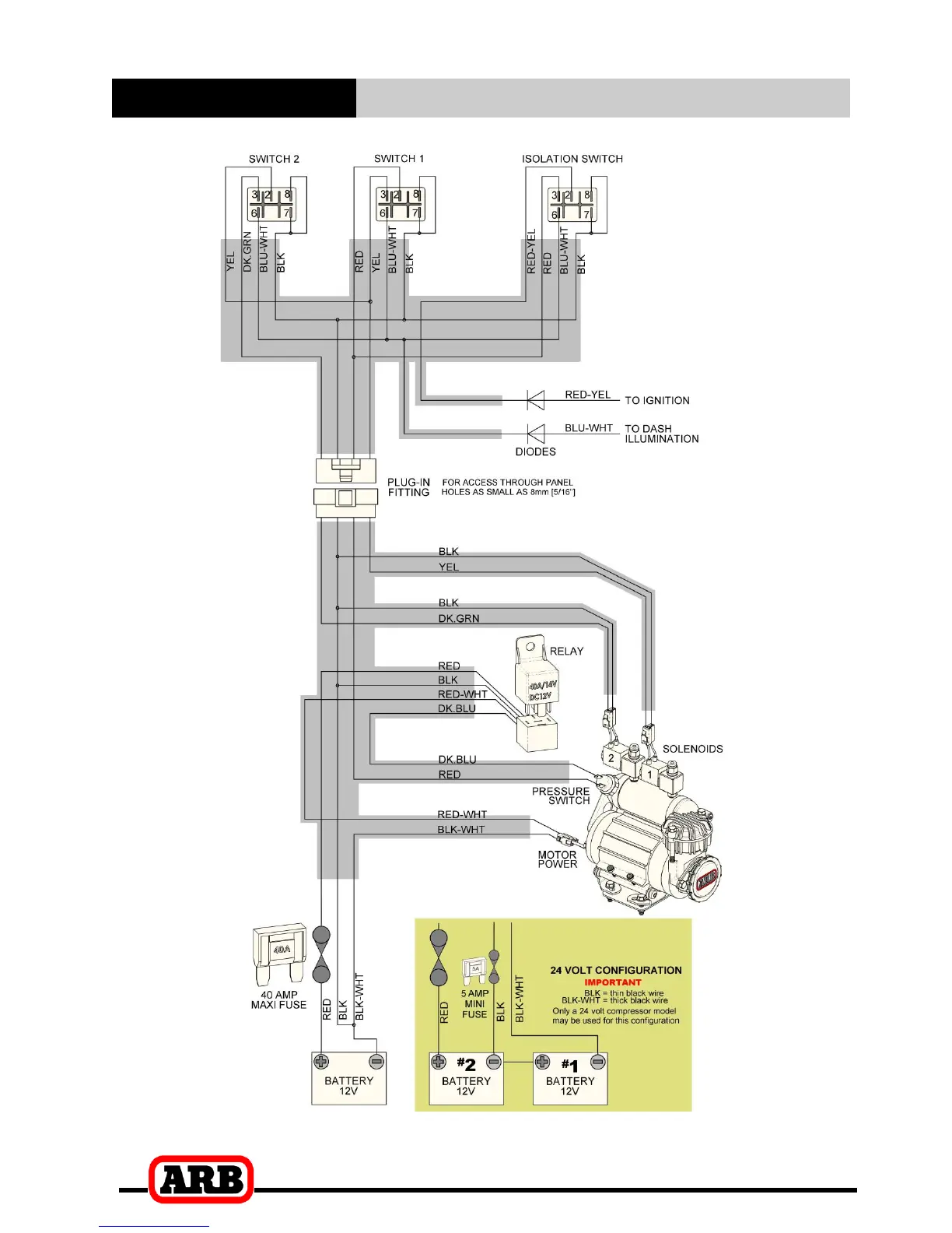
Air Compressor Loom Wiring Diagram
Feel the difference with ARB. Accept no compromises, choose only quality performance driveline and axles.

Other manuals for ARB CKMA12

Related product manuals