EasyManua.ls Logo

ARD Snga - Installation Examples; NICE3000+ Serial System Installation; AS380 System Installation

ARD Snga
8 pages
Print Icon
To Next Page IconTo Next Page
To Next Page IconTo Next Page
To Previous Page IconTo Previous Page
To Previous Page IconTo Previous Page
Loading...
- 6 -
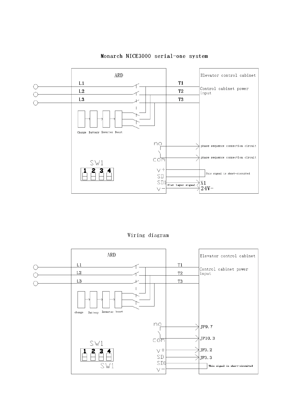
Installation example
NICE3000+Serial integrated machine system
AS380 Integrated machine system
AC380V
AC380V