EasyManua.ls Logo

Argo AEI1G80BEMX - Page 19

Argo AEI1G80BEMX
32 pages
Print Icon
To Next Page IconTo Next Page
To Next Page IconTo Next Page
To Previous Page IconTo Previous Page
To Previous Page IconTo Previous Page
Loading...
20
AEI1G80BEMX
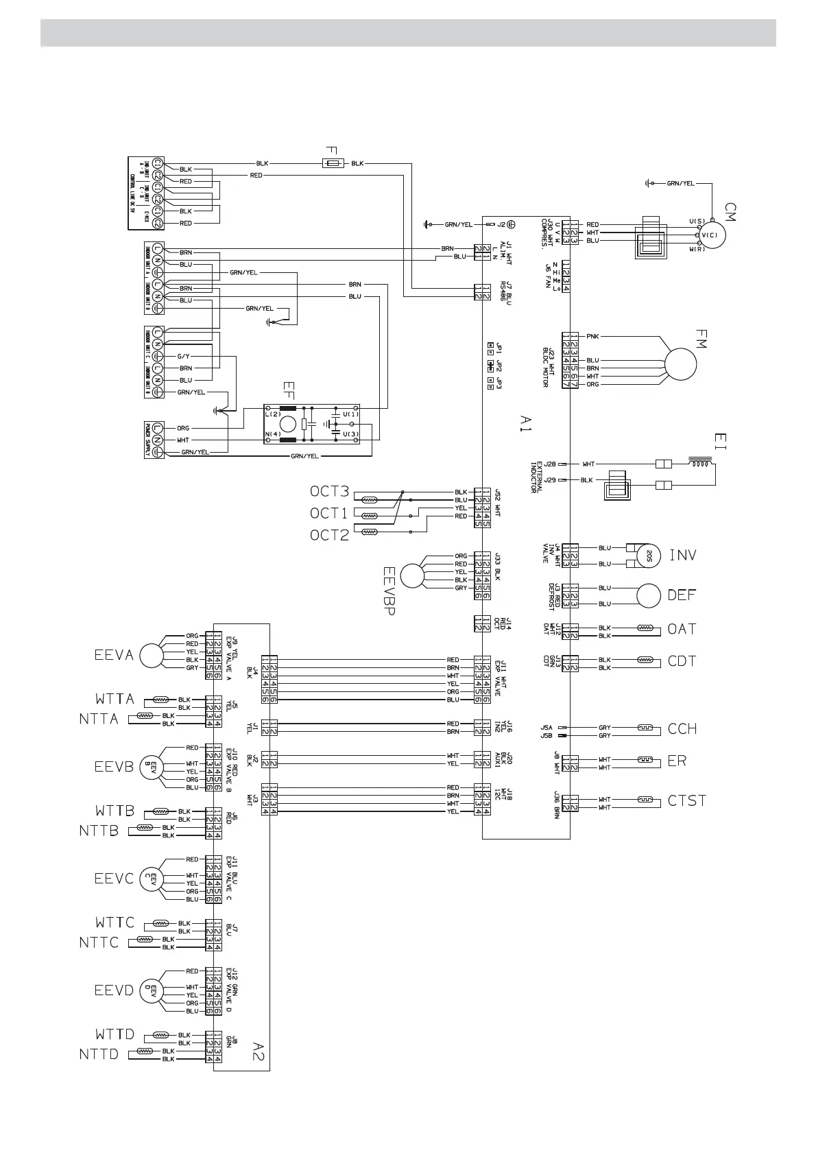
16 - ELECTRICAL WIRING DIAGRAM
• SCHEMA ELETTRICO • SCHÉMA ÉLECTRIQUE

Related product manuals