EasyManua.ls Logo

Argo APOLLO - App Download and Wi-Fi Setup; Install and Open TuyaSmart App; Setting Up Apollo in Wi-Fi Mode

Argo APOLLO
17 pages
Print Icon
To Next Page IconTo Next Page
To Next Page IconTo Next Page
To Previous Page IconTo Previous Page
To Previous Page IconTo Previous Page
Loading...
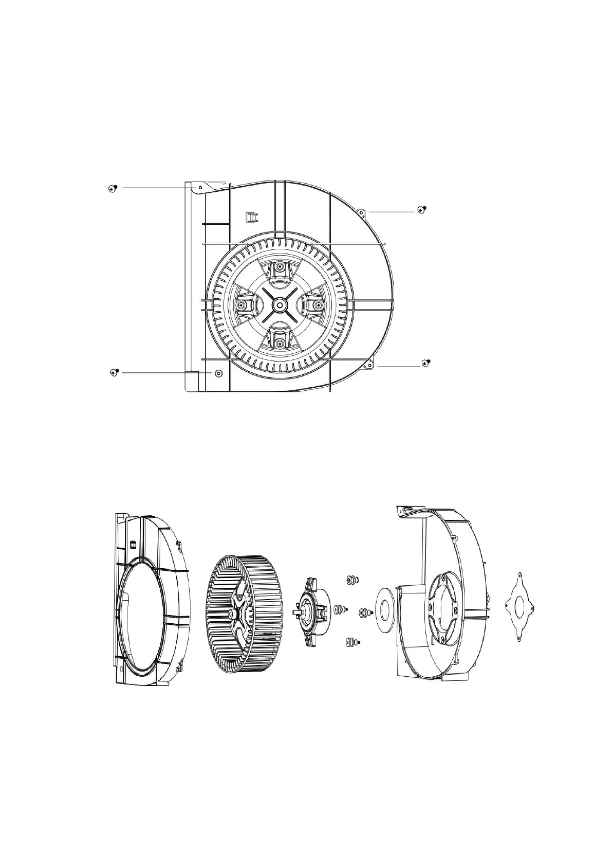
2. remove the 4 screws on the outside of the volute, loosen the nut fixed on the
motor shaft, remove the nut, pull out the exhaust air wheel with both hands
outward; then remove the 4 screws that fix the motor on the other side and
remove the motor.
IX. Dismantling of two-body system components
1. first remove the 3 screws connecting the bottom condenser side end plate to
the base.

Other manuals for Argo APOLLO

Related product manuals