EasyManua.ls Logo

Ariston Classico HE STD 125 - 3.14 Electrical Diagrams

Ariston Classico HE STD 125
34 pages
Print Icon
To Next Page IconTo Next Page
To Next Page IconTo Next Page
To Previous Page IconTo Previous Page
To Previous Page IconTo Previous Page
Loading...
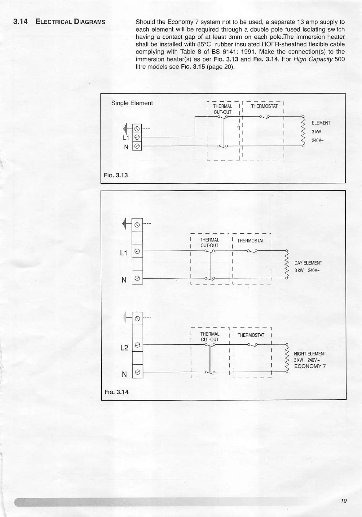
3.14
Electrical
Diagrams
Should
the
Economy
7
system
not
to
be
used,
a
separate
13
amp
supply
to
each
element
will
be
required
through
a
double
pole
fused
isolating
switch
having
a
contact
gap
of
at
least
3mm
on
each
pole.The
immersion
heater
shall
be
installed
with
85°C
rubber
insulated
HOFR-sheathed
flexible
cable
complying
with
Table
8
of
BS
6141:
1991.
Make
the
connection{s)
to
the
immersion
heater(s)
as
per
Fig.
3.13
and
Fig.
3.14.
For
High
Capacity
500
litre
models
see
Fig.
3.15
(page
20).
Single
Element
THERMAL
CUT-GLrr
THERMOSTAT
ELEMENT
Fig.
3.13
LI
0
N
0
THERMAL
CUT-OUT
THERMOSTAT
DAY
ELEMENT
3kW
240V~
THERMAL
CUT-OUT
THERMOSTAT
N
0
NIGHT
ELEMENT
3kW
240V~
ECONOMY?
Fig.
3.14

Other manuals for Ariston Classico HE STD 125

Related product manuals