EasyManua.ls Logo

Artos PF-6 - OPERATIONAL PUSH BUTTON CONTROLS; Control Panel Functions

Artos PF-6
13 pages
Print Icon
To Next Page IconTo Next Page
To Next Page IconTo Next Page
To Previous Page IconTo Previous Page
To Previous Page IconTo Previous Page
Loading...
8
INSTALLATION
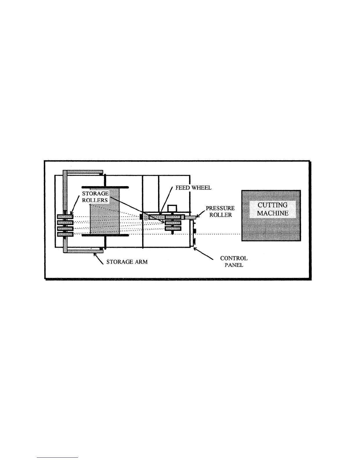
Place the Artos PF-6 on a flat level surface adjacent to the infeed side of the cutting machine. It
should sit so the top of the storage pulleys are the same height as the infeed point of the cutting
machine. The nearest storage arm pulley should line up with the infeed pint in front to back
plane
WARNING: Do not lift the pre-feeder storage arm unless motor power is on. Damage to the
variable speed pulley can result if it is not energized while moving.
WARNING: Do not operate this machine on a wet floor or potentially wet area!
Attached the power cord to an appropriate size power source.